Bonjour à tous,
Il existe sur le forum un certain nombre de fils sur l'émission d'ultrasons destinés à réduire les nuisances générées par divers animaux: pigeons, rongeurs, insectes, etc.
Ma question concerne la diffusion d'ultrasons. Généralement, on utilise un tweeter de chaîne hi-fi.
J'ai trouvé sur Ebay des tweeters piézoélectriques, très bon marché (3,18 $), mais avec une puissance nominale qui me semble grossièrement exagérée: 500 W.
http://forums.futura-sciences.com/at...1&d=1399012113
Est-ce que c'est juste de la rigolade, ou bien y a-t-il un fond de vérité? Les aiguës ne sont pas présentes en permanence dans la musique et encore moins dans la parole. Les 500 W seraient donc une puissance de pointe?
J'en ai commandé une paire, on verra...
Quoi qu'il en soit, je suis toujours étonné par la puissance acoustique de certains buzzers piézoélectriques, tels que ceux des téléphones portables, malgré leur petite taille.
Les plaquettes céramiques des buzzers sont aussi disponibles sur Ebay, à un prix vraiment très bas: 10 pièces pour 1, 98 $!
http://forums.futura-sciences.com/at...1&d=1399012626
Cela m'a donné l'idée d'utiliser 10 plaquettes piézoélectriques pour un tweeter d'un type un peu particulier:
1) Tout d'abord, le fait d'utiliser 10 plaquettes permettra de générer 10 fois plus de son.
2) Ensuite, si ces plaquettes sont
a) alimentées en phase,
b) disposées sur le même plan et
c) espacées d'une longueur d'onde, elles devraient permettre de générer un front d'onde plan. Cela devrait permettre d'obtenir une forte directivité.
Les tweeters, du fait de la faible longueur d'onde des tonalités aiguës, ont une directivité naturelle, qui est considérée habituellement comme un effet indésirable. Dans mon cas, la directivité serait un avantage, car elle permettrait d'agir à distance, en ayant l'appareil branché sur le secteur et non sur des batteries.
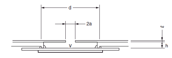
Pour obtenir une bonne adaptation d'impédance entre la plaquette céramique et l'air, il faut utiliser un résonateur, qui est réalisé comme suit (Documentation Murata):
http://forums.futura-sciences.com/at...1&d=1399013624
En appliquant la formule donnée, on trouve que la cavité serait résonante à 14,5 KHz, pour les dimensions suivantes:
Rayon du trou du diaphragme a: 2 mm
Diamètre du rebord où est collée la plaquette céramique d: 8 mm
Profondeur de la cavité h: 1 mm
Epaisseur du diaphragme l: 0,1 mm
Cela pourrait être réalisé en utilisant une plaque métallique, par exemple en aluminium de 1 mm, dans laquelle on perce des trous de 8 mm et sur laquelle on colle une tôle de 0,1 mm, dans laquelle on a percé des trous de 4 mm de diamètre.
Les trous doivent être percées en quinconce, espacés de 20 mm, ça tombe bien, c'est justement le diamètre des disques de céramique. Disons 21 mm, pour qu'ils ne se touchent pas. De cette manière, les plaquettes seront espacées d'une longueur d'onde et produiront un front d'onde plan, donc une bonne directivité.
ça donnerait ça:
http://forums.futura-sciences.com/at...1&d=1399016755
Pour réaliser le rebord sur lequel il faut coller (avec si possible du mastic silicone appliqué délicatement) les plaquettes céramique. on pourrait simplement utiliser la "bavure" qui se crée lorsque l'on perce un trou dans une plaque d'alu. Elle mesure une fraction de millimètre, c'est exactement ce qu'il faut.
Voilà un projet qui serait intéressant à réaliser, pour pas bien cher.
Qu'en pensez-vous?
Amicalement,
Yvan
-----



