Bonjour à tous
je me suis mis sur une nouvelle télé d'un copain.
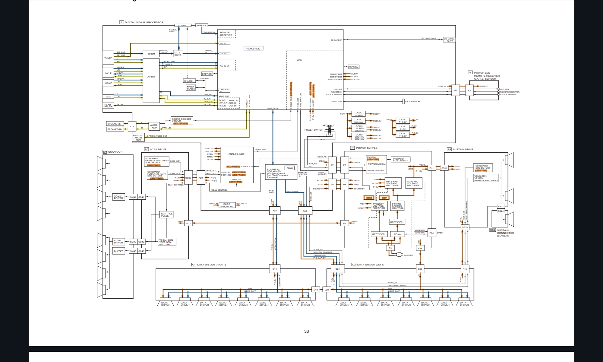
symptome : elle s'allume puis s'arrête au bout de quelques secondes. Clignotement led rouge en façade 1 toutes les 3 ou 4 secondes
démonté capot, et les deux plus grosses cartes. Pas de condo visuellement dégradé. Je les ai tous testés (sans les dessouder. Je sais, c'est pas fiable, mais s'ils sont totalement HS, on peut tenter....), un seul ne semblait pas fonctionner, mais une fois dessoudé, la mesure était bonne.
Sur la carte proche des départs vers l'écran, les soudures d'un "trois pattes" ( transistor rjp43f4a) semblent avoir un peu chauffé. Il est très difficilement accessible, il sera galère à changer (une rangée d'autres tripattes sur refroidisseur est planté juste devant....). Il a un voisin identique. Sans dessouder, les tests donnent les mêmes valeurs à l'ohmmètre et en mode diode sur les deux. J'ai tout de même refait ses soudures, sans effet.
Tous les fusibles sont OK.
Quand elle s'arrête, c'est le relais indiqué sur la carte principale qui claque pour l'éteindre.
J'ai refait toutes les soudures qui me paraissaient un peu mats. Pas de changement
Rien trouvé dans la littérature sur cette panne. Je l'ai laissé chez mon ami, sans lui laisser trop d'espoir.
Merci de vos conseils éventuels... et bonne soirée
46s20-58420a0.jpg
relais qui claque à la coupure.jpg
tripatte soudure fatiguée.jpg
-----



as de passage en mode diode entre les A et K, court circuit entre les 2A
!
