Bonjour ami lecteur,
Je suis réparateur bénévole d'un repair café (a la retraite, avec une formation initiale d'électronique)
Et j'ai déjà réparé un robot KM-266 grâce a l'aide de ce forum : changement de la capacité C1 (0.47µF-275V-X2)
MAIS
Voila qu'on m'en apporte un 2nd identique dont la tension aux bornes de R1 fait 10V (capa OK d'après le forum) mais qui ne démarre pas du tout.
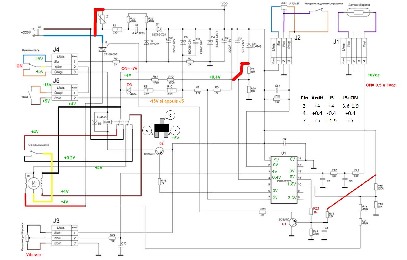
schema electrique.jpg
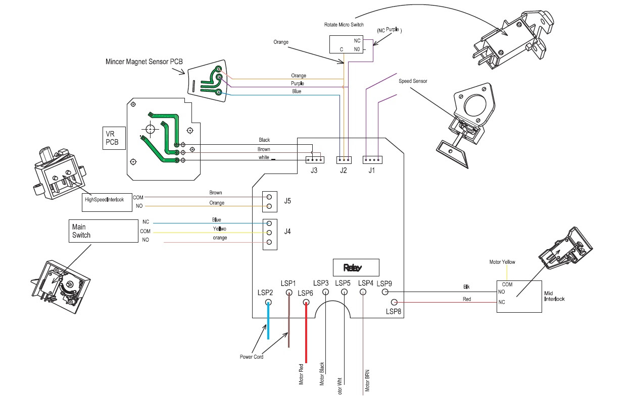
accessoirs.jpg
Vérification de tous les interrupteurs J2-J4-J5, du potar de réglage vitesse J3, 54 ohm sur J1
4,9V sur pin 1 du PIC
diodes des Q1-Q2 semblent OK mais pas dessoudés ces CMS (inversion Q1-Q2 entre schéma et sérigraphie)
Et une carte BB20660N neuve
Dessoudage des fils difficiles, pourquoi les concepteurs n'ont pas mis de connecteur ???
Ressoudage sur la neuve -> marche toujours pas !
Dessoudage de cette carte neuve.
Je récupère le 1er robot qui fonctionne, le vérifie
dessoude ses 6 fichus fils moteur
Les ressoude en volant sur la carte neuve, remets les J1-5 -> Marche pas
J'en déduis que la carte neuve ne doit pas fonctionner !!!
Je remets sa carte au 1er robot -> Il ne fonctionne PLUS !!!
En dessoudant les 6 fils moteurs, je n'entends pas le relais coller.
En connectant une alim externe sur le relais (sans secteur branché) on l'entend coller à partir de 10,5V
J'ai donc 2 robots qui ne fonctionnent plus et plus la moindre idée de pourquoi et quoi faire.
Pas trouvé d'idée à la lecture de tous les posts ici sur le KM-266 ou voisins...
MERCI si vous pouviez me donner des pistes de test/correction
Olivier
-----



