bascule D
Répondre à la discussion
Affichage des résultats 1 à 11 sur 11

bascule D



  1. #1
    invite975d9f0f

    Question bascule D


    ------

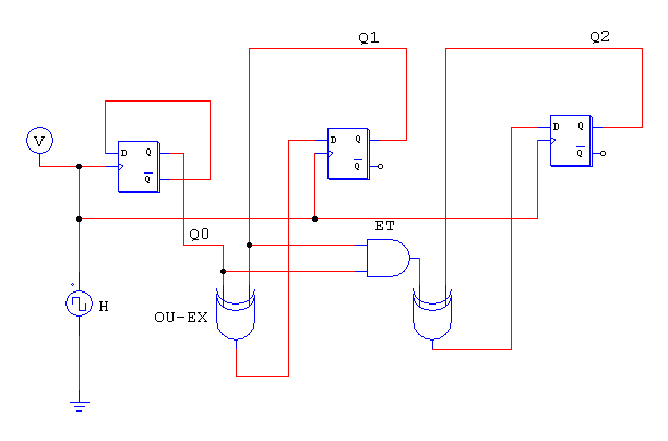
    SLT A tous j'aurai besoin de votre afin que vous m'aidiez a faire le chronogramme de Q2, svp ?

    -----
    Images attachées Images attachées  

  2. #2
    invite09837ae2

    Re : bascule D

    Ta piece jointe n'est pas validée ?

  3. #3
    invite975d9f0f

    Re : bascule D

    si elle l'est

  4. #4
    invite09837ae2

    Re : bascule D

    Je n'arrive pas a l'ouvrir, met un lien plutot, à moins que je soit le seul à ne pas pouvoir la lire.

  5. A voir en vidéo sur Futura
  6. #5
    invite975d9f0f


  7. #6
    invite4e72d391

    Re : bascule D

    Bonjour à tous (tes)
    Pour la validation des pièces jointes c'est comme pour les chronogrammes , c'est une question de temps......
    Amicalement

  8. #7
    invite975d9f0f

    Re : bascule D

    OUI Mais gabymodel essaie de voir si le lien web fonctionne svp merci ?

  9. #8
    invite09837ae2

    Re : bascule D

    Ta piece jointe est je cite "invalide"
    C'est quoi comme format ?

  10. #9
    Gérard

    Re : bascule D

    Bonjour,
    As-tu déjà trouvé quelque chose ?

    Premières réflexions : (à prendre avec des "pincettes")
    au départ :Q0 = Q1 = Q2 = 0
    Imp sur C : Q0 = 1 Q1 = 0 Q2 = 0
    Imp sur C : Q0 = 0 Q1 = 1 Q2 = 0

    etc ....

    PS : Imp sur C = Impulsion sur Clock

  11. #10
    invite975d9f0f

    Re : bascule D

    SLT A tous j'aurai besoin de votre afin que vous m'aidiez a faire le chronogramme de Q2, svp

  12. #11
    Jack
    Modérateur

    Re : bascule D

    Tu sais comment fonctionne une bascule D? Un ET, Un Ou exclusif? Si non, commence par te renseigner sur ces circuits.
    Si oui, mets par exemple des '0' sur toutes les sorties des bascules au crayon de papier. Tu en déduis tous les autres états.
    Ensuite, tu fais mes modifs avec gomme et crayon de papier pour chaque nouveau front d'horloge actif. Et tu traces Q2 au fur et à mesure.

    A+

Discussions similaires

  1. Bascule D
    Par invite6ac3a3cf dans le forum Électronique
    Réponses: 2
    Dernier message: 06/05/2007, 11h57
  2. bascule
    Par invitef4609854 dans le forum Électronique
    Réponses: 9
    Dernier message: 31/03/2007, 22h17
  3. bascule JK
    Par invite0a63013b dans le forum Électronique
    Réponses: 2
    Dernier message: 29/03/2007, 15h40
  4. Bascule
    Par invite31b777f0 dans le forum Électronique
    Réponses: 3
    Dernier message: 14/02/2007, 20h35
Dans la rubrique Tech de Futura, découvrez nos comparatifs produits sur l'informatique et les technologies : imprimantes laser couleur, casques audio, chaises gamer...