Bonjour,
Je dois réaliser une étude de carte, la voilà ci dessous:
http://forums.futura-sciences.com/at...1&d=1369581959
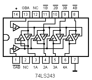
Mon étude se porte principalement sur les comparateurs (il y en a 2 ref.LM339N) et sur un transceiver (il y en a 1 ref.74LS243).
Je dois réaliser un chronogramme pour ces 2 composants à partir de leurs schémas de connexions respectifs:
http://forums.futura-sciences.com/at...1&d=1369582661
http://forums.futura-sciences.com/at...1&d=1369582661
J'ai du mal cependant à définir les entrées pour réaliser le chronogramme.
Etant nouvelle dans ce secteur je ne maîtrise pas totalement ce sujet, Par quoi dois-je commencer pour être sur que je ne vais pas me tromper lors de la lecture du schéma??
-----



