Bonjour à tous,
J'ai un projet en électronique sur un indicateur sonore et j'aimerais avoir quelques informations concernant le schéma du montage.
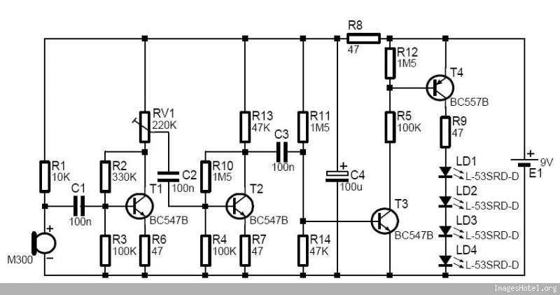
http://www.imageshotel.com/images/sebji/montage.jpg
Interet du montage : lorsque qu'il y a du bruit, les LEDs s'allument toutes ensembles.
J'aimerais savoir comment fonctionnent les transistors dans ce montage et comment l'information est transformée du micro aux LEDs.
Merci d'avance.
Sébastien
-----


 
 
 Re : Projet d'indicateur sonore
 Re : Projet d'indicateur sonore
				