Bonjour
J'ai changé de carte alim d'une TV Philips 55PFL4908k/12, sa référence est 715G5778-P02-000-002M
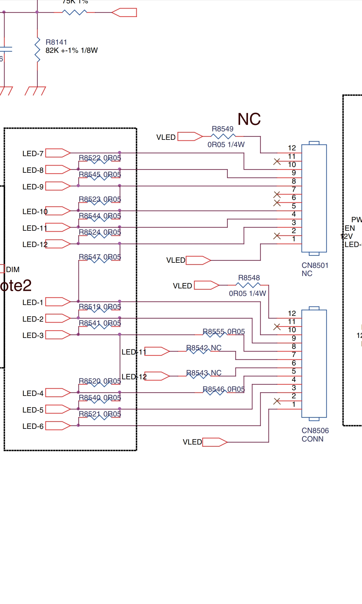
Le schéma est sur ce lien
https://elektrotanya.com/philips_715.../download.html
Les tension en shuntant le Std_by 5,2V avec le ON/OFF du retro et le PS-ON me donne bien les tensions 12V, 24V
J'ai également les 25v sur la diode du rétroéclairage
La question que je me pose est :
Est-ce normal sans raccorder aucune leds d'avoir toujours 25V ? Ne devrais-je pas avoir une tension beaucoup plus haute vers 100V
Pour info sur la TV j'avais remplace la carte d'alim et la TV marche donc c'est bien la carte d'alim qui est en cause
J'ai rendu la TV, il ne me reste plus que la carte d'alimentation
Merci
-----


schéma généraliste, il se peut qu,il y ait qu’un seul connecteur pour les leds ,ce qui réduit le nombre de groupes.(6 ou 12)