Bonjour à tous, j'ai une radio (en parfait état) qui fonctionne uniquement au casque tout comme le Cd et l'USB!!
Voilà ma question: D'où peut provenir cette coupure de son par les HP ?
Merci beaucoup d'avance
Cordialement
-----

Bonjour à tous, j'ai une radio (en parfait état) qui fonctionne uniquement au casque tout comme le Cd et l'USB!!
Voilà ma question: D'où peut provenir cette coupure de son par les HP ?
Merci beaucoup d'avance
Cordialement
Bonsoir,
Peut-être bien que le HP est HS ?
Peut-être bien que la prise pour casque est en cause ?
Peut-être bien que l'amplificateur pour HP est HS ?
Pas de baguette magique pour en dire plus.
Problème résolu : N'oubliez pas de préciser ce que vous avez trouvé et les mesures prises. Merci
Bonsoir Yoga et tout le groupe
Bienvenue sur le forum.
Hum. Il serait intéressant de savoir comment la panne est survenue: à la suite de quelle action/évènement/...
Normalement (à confirmer par le mode d’emploi que tu peux chercher sur le net), l’introduction de la fiche jack du casque doit couper les haut parleurs. Es-tu certain que tes enceintes fonctionnent? Tu dois pouvoir vérifier que tes enceintes fonctionnent, soit en les branchant sur une autre chaîne, soit en testant, une à une, avec une pile de 4,5V, que tu entends bien un "plock” au moment de la connexion de la pile.
On peut supposer que la chaîne est stéréo, il doit donc y avoir deux amplis distincts. Il serait utile de vérifier que l’alimentation est bien présente. Une recherche du schéma, avec les références exactes devrait permettre de savoir où la chercher.
Merci pour vos réponses je vais chercher car c'est peut-être pas grand chose finalement??
Ce n'est pas une mini chaine stéréo mais bien une petite radio Cd Brandt avec une prise USB et tout fonctionne mais au casque pas par les HP!! (d'où ma requête!)
Ce poste je l'ai trouvé et comme je n'aime pas jeter car il me semblait en bon état, je me suis dit on verra bien!!! (bricoleur curieux!)
Je tâcherais de le démonter pour voir ...
Bon week-end à tous
CordialementNotice Brandt Boombox.pdf
Dernière modification par Yoga ; 25/10/2025 à 18h16.
Bonjour, Ca sent le jack qui a fait sa vie !!! ( jack qui foire!) Contacts fatigués ou tordus.
"....Quand un casque
ou des écouteurs sont branchés dans l'appareil, les haut-parleurs sont automatiquement déconnectés..."
C'est relativement fragile un jack de 3.5 mm c'est pas un jack de ..6.35 mm !!
https://encrypted-tbn2.gstatic.com/s...uR_Cr7VN0_R0vg
Cordialement
Dernière modification par bibifikotin ; 26/10/2025 à 10h28.
Bonjour Bibifikotin
Si, comme vous dites, le jack est fatigué je n'aurais aucun son au casque, hors cela fonctionne normalement !
Je pourrais débrancher le jack pour voir si les HP fonctionnent ?
Bon dimanche
Cordialement
Hello, bon après démontage je viens de voir que la prise casque est soudée! je joins une photo dès que possible (en zoomant il me semble voir un fusible?? Peut-être que ??)
Qu'en pensez-vous?
A bientôt
Yoga
Remoi, Non la conclusion est fausse !
Le contact coté casque peut etre BON et la "commutation" par enlévement du jack pour passer sur HP etre défecteuse ( ne se fait pas)
Faut ouvrir la béte et VOIR ( si c'est possible) ce qui se passe lorsqu'on met ou enléve le jack.
Cordialement
Edit:
Prise jack soudée: un malin avant toi a résolu le probléme à sa façon !!
Si prise soudée cela veut dire que tu n'as JAMAIS pu l'enlever ce fameux jack !!
Dernière modification par bibifikotin ; 26/10/2025 à 16h21.
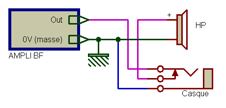
Bonsoir,
Schéma simplifié. En stéréo, c'est doublé.
Lorsque tu n'insères pas la fiche mâle jack, le signal chemine vers le HP par la connexion rose, qui passe par l'interrupteur à lame représenté par le fil avec une flèche et l'autre avec le V.
Si on insère un écouteur, cela soulève le V et le circuit vers le HP est interrompu, mais va vers l'écouteur par le contact en V.
Cette lame en V fait ressort et doit rétablir le contact vers le HP si on retire l'écouteur. Mais il peut arriver lorsqu'une fiche est restée trop longtemps, ou autre raison, que cette lame perde son élasticité et ne fasse plus contact en retirant l'écouteur. C'est sans doute ce qui t'est arrivé.
Dernière modification par f6exb ; 26/10/2025 à 17h10.
Seuls les faucons volent. Les vrais restent au sol.
Merci pour vos réponses, effectivement le coupable est bien la prise jack! En mode casque ça va mais par contre le jack enlevé il n'y a plus de son dans les HP !!
Je crois qu'il faut changer cette prise jack et ça n'a pas l'air d'être aisé !
Je peux brancher une enceinte nomade j'ai vérifié ça marche ! Mais moins pratique j'avoue !!
Bonne soirée
Cordialement
Yoga
Remoi, C'était expliqué dans la notice de l'engin....qu'il fallait LIRE tout de meme.
Ya encore des choses bizarre dans tes dires : "..... viens de voir que la prise casque est soudée...."
Aurais tu donc...dessoudé cette prise.......pour...." brancher une enceinte nomade" à la place ?
Cordialement
Je pense qu'il veut dire que l'embase femelle est soudée au circuit imprimé.
Seuls les faucons volent. Les vrais restent au sol.
a partir des infos de f6exb, on peut confirmer le problème sans changer la prise. Il suffit de bypasser la prise ou de forcer le contact avec la lamelle qui doit se coller lorsqu'on enlève le jack. Si c'est uniquement un problème géométrique, ça se rectifie en quelques secondes et sans rien changer.Merci pour vos réponses, effectivement le coupable est bien la prise jack! En mode casque ça va mais par contre le jack enlevé il n'y a plus de son dans les HP !!
Je crois qu'il faut changer cette prise jack et ça n'a pas l'air d'être aisé !
Je peux brancher une enceinte nomade j'ai vérifié ça marche ! Mais moins pratique j'avoue !!
Bonne soirée
Cordialement
Yoga
La vie trouve toujours un chemin
