Bonjour,
après avoir réalisé une petite maquette, j'ai un soucis avec la commande des relais...le fonctionnement est très aléatoire.
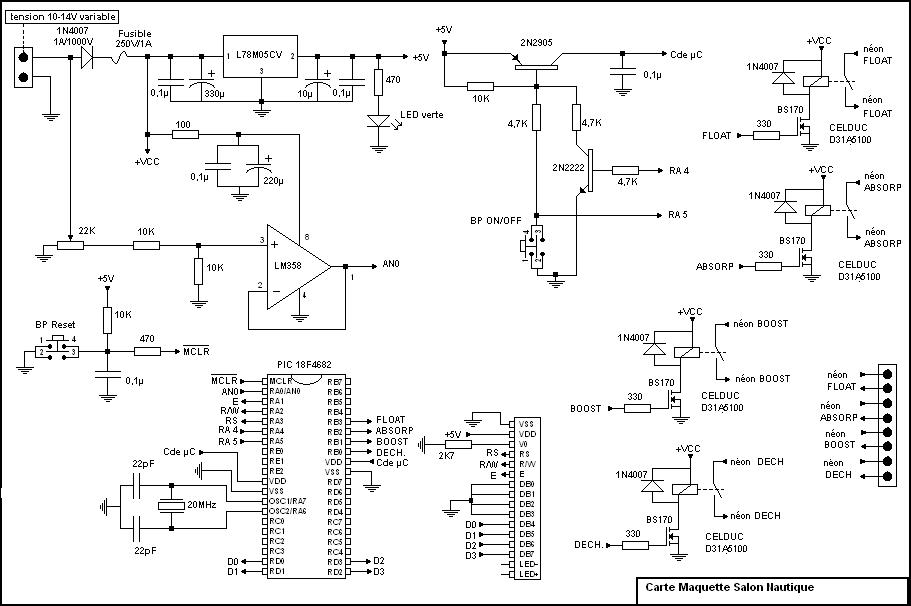
Concrètement, parfois certains relais reste bloqué alors que la tension en entrée (voir schéma tension de sortie sur un PIN du PIC)est nulle.
De plus lorsque lorsque je retire mon PIC de ma carte, et que je l'alimente... Les relais sont parfois actionné alors qu'il n'y a aucune tension pour les controlé...
Votre aide me serait très précieuse...car cela doit etre fini dans 2 semaines...
N'hésiter pas a me dire si je dois faire des modif sur ma carte...
Encore merci
Nicolas
-----



bonne nuit les petits