bonjour,
voici mon probleme (est celui de pas mal d'amateur d'imagerie astronomique)
Non, je ne me suis pas trompé de forum.
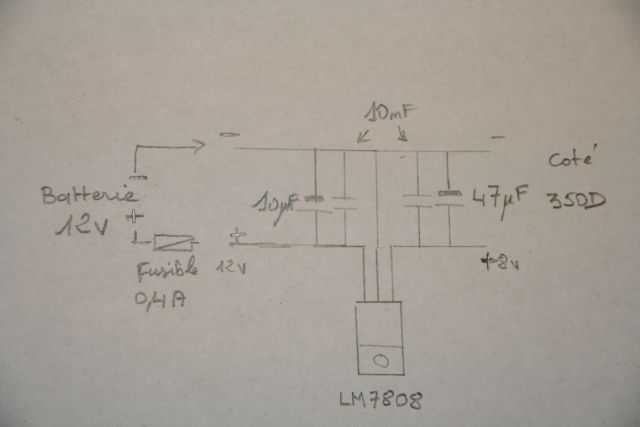
nous utilison beaucoup le canon EOS 350d pour imager le ciel et il est necessaire de remplacer la batterie d'origine (une NB-2L) par une alimentation secteur.
Comme nous sommes sur le terrain, celle-ci se fait par le biais d'une batterie de 12 volts, avec un petit montage à base de LM7808 on à la puissance voulu.
L'appareil reclame environ 8 volts pour fonctionner meme un peut moin.
(il marche tres bien meme quand la batterie d'origine est à 7.5 volts).
Cepandant sur le secteur meme en montant à 8.5 volt il est tres fréquent (voir systematique) que l'appareil se foute en caraffe avec un message d'erreur pour batterie trop faible pour prendre des photos...
Sur les batteries d'origine il y a 3 contactes.
le +
le -
et au milieu un contact marqué "T" qui a une resistance de 10k ohm avec le moin.
Sur une batterie d'origine demonté on se rend compte qu'il y a un petit cicuit imprimé avec puce, résistance et condo, tout en cms dans la batterie.
je pense que le probleme vient de là. mais impossible de savoir de quoi ce compose exactement cve circuit.
Si quelqu'un avait la solution pour que tout fonctionne parfaitement il rendrait un grand service à beaucoup de monde!
merci aux electroniciens.
voici un lien vers un montage de base avec une vue de la batterie d'origine.
http://steph.ubaud.free.fr/articles.php?lng=fr&pg=198
Lionel
-----



