Thermomètre Digital
Répondre à la discussion
Affichage des résultats 1 à 8 sur 8

Thermomètre Digital



  1. #1
    invitec210ac13

    Thermomètre Digital


    ------

    Bjr ,
    je veux réaliser un TP De synthèse sur Multisim qui schèmatise un Thérmomètre Digital à l'aide d'un capteur de tempèrature , Amplificateur , CAN, Décodeur DCB 7segments ! quelqu'un aurait-il une idée sur le schèma à suivre ?

    -----

  2. #2
    invitee05a3fcc

    Re : Thérmomètre Digital


  3. #3
    invitec210ac13

    Re : Thérmomètre Digital

    Merci pour ton aide , cependant je cherche un schèma bien précis càd :

    CAPTEUR DE TEMPERATURE -> AMPLIFICATEUR -> CAN -> DECODEUR DCB 7 SEGEMENTS

    Si possible, sans utiliser de Micro-Contrôleur/processeur !

  4. #4
    Kissagogo27

    Re : Thérmomètre Digital

    bjr, suffisait de bien chercher, par exemple
    http://nicolas.bct.free.fr/Voltmetre.jpg

    cette partie résout la chaîne can affichage 7 segments ... pour le capteur + ampli un lm35 peut suffire, après il faut se servir des docs des composants pour réaliser votre objectif ..

  5. A voir en vidéo sur Futura
  6. #5
    Antoane
    Responsable technique

    Re : Thérmomètre Digital

    Bonjour,
    ok dans l'idée du lien, mais le pont diviseur d'entrée (Vbat/100) est à l'envers. De plus, il ne faut pas régler le potentiomètre à 99k, mais régler Vbat/100 à effectivement Vbat/100, avec une tension batterie connue* ; ce pour compenser la tolérance de la 1k. Il manque en plus un peu de découplage sur le potentiomètre.

    Ça existe aussi en tout intégré, par exemple chez Maxim : http://datasheets.maxim-ic.com/en/ds...97-MAX1499.pdf

    édit :
    * : comme écrit en petit en bas à droite
    Deux pattes c'est une diode, trois pattes c'est un transistor, quatre pattes c'est une vache.

  7. #6
    invitec210ac13

    Re : Thèrmomètre Digital

    Re-bonjour tout le monde , merci pour vos réponses

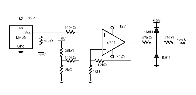
    Concernant la partie CAPTEUR voilà un montage synthètique de capteur , ma question est ce dernier est-il lié directement au CAN puis au décodeur 7segment ?
    http://forums.futura-sciences.com/at...e-montageoejpg

  8. #7
    gienas
    Modérateur

    Re : Thèrmomètre Digital

    Bonsoir DamonS et tout le groupe

    Citation Envoyé par DamonS Voir le message
    ... ce dernier est-il lié directement au CAN puis au décodeur 7segment ...
    Hum! Ta question me laisse pantois.

    1- le schéma que tu proposes se termine par "vers le CAN".

    2- j'ai une "petite idée" de ce qu'est un décodeur 7 segments.

    Si tu te poses les bonnes questions:

    1- quelle est la nature du signal en sortie de chaque structure;

    2- quelle est la nature du signal en entrée de chaque structure;

    3- ces signaux sont-ils compatibles?

    Tu devrais être capable de répondre toi-même à ta question.

    Ce qui me laisse encore plus pantois, c'est que ta demande concerne, une fois de plus (c'est quotidien à présent) une réalisation virtuelle, qui est supposée n'être testée que sur le papier. Certes, c'est plus propre, plus facile, plus rapide et moins polluant, mais j'ai le sentiment que c'est bien plus frustrant.

  9. #8
    invitec210ac13

    Re : Thérmomètre Digital

    Non je parle point de vue théorique , j'suis encore débutant dans ce domaine ,y'a aucun mal à celà !
    Sinon ma question est : est ce que ce branchement est directement lié au décodeur puis à l'afficheur 7 segments ou bien il y'aura un PIC entre eux ?

Discussions similaires

  1. thermometre digital
    Par invite3d6defe0 dans le forum Électronique
    Réponses: 12
    Dernier message: 11/08/2009, 09h15
  2. Recherche Thermometre digital simple
    Par inviteb8f93fb0 dans le forum Électronique
    Réponses: 11
    Dernier message: 15/05/2009, 08h08
  3. Projet fin d'étude:thermomètre digital
    Par invite5ae2ae5f dans le forum Électronique
    Réponses: 11
    Dernier message: 31/01/2009, 07h29
  4. Thermomètre
    Par invite4078f60b dans le forum Chimie
    Réponses: 1
    Dernier message: 24/11/2008, 00h30
  5. Thermomètre à mercure VS thermomètre à gaz parfait
    Par invitef1881787 dans le forum Physique
    Réponses: 7
    Dernier message: 14/08/2008, 16h21
Dans la rubrique Tech de Futura, découvrez nos comparatifs produits sur l'informatique et les technologies : imprimantes laser couleur, casques audio, chaises gamer...