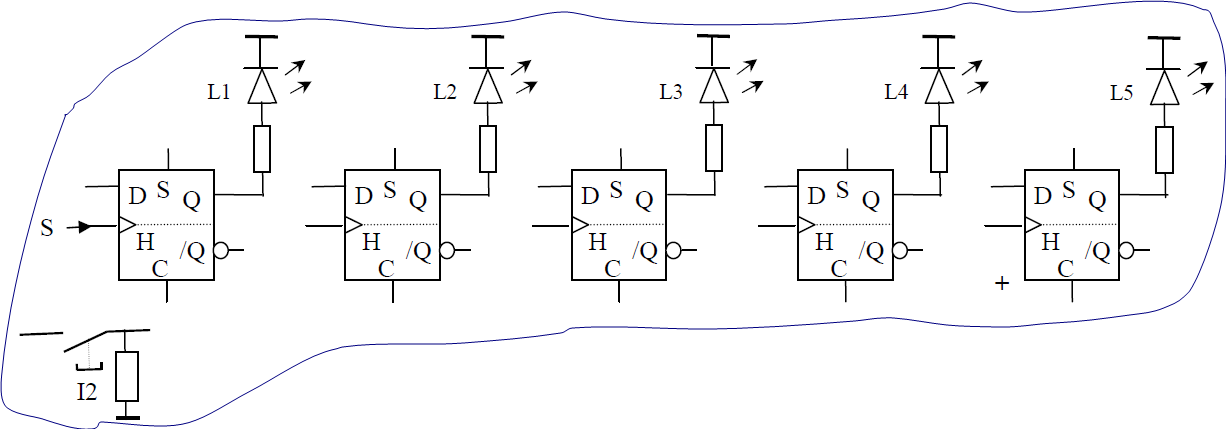
Completer le schema des 5 bascules D pour que LED1 et LED3 allumes 2 secondes apres LED2 et LED4 allumes pendant 2 secondes et apres LED3 et LED5...
Ici le schema:
http://forums.futura-sciences.com/at...1&d=1325011391
Initialisation du translateur (L1 et L3 allumées) par impulsion sur le bouton poussoir (I2)
Fonctionnement normal : toutes les 2 secondes environ (à chaque impulsion de sortie de
l’oscillateur) changement des LED allumées.
-----




