Bonjour du jour au lendemain j ai une panne complète sur mon portail électrique.
Matériel:
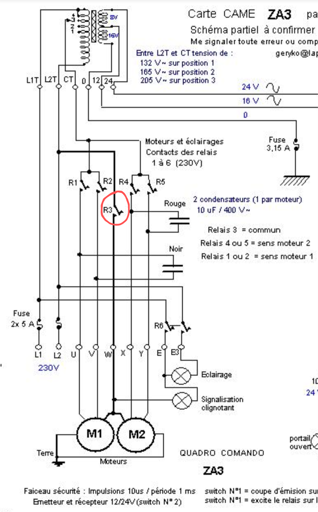
Boitier de commande ZM3E et moteur enterrés pour portail battant CAME FROG
Symptôme:
En appuyant sur le bouton télécommande en entend le relais claquer dans le boitier mais rien ne se passe, même chose en appuyant sur l'interrupteur de secours
Le gyrophare ne s allume pas non plus
Test réalisé:
la petite lumière sur la carte électronique est verte
on accède au menu sans souci, le test des moteurs fait claquer les relais mais rien ne se passe
Je l'ai passé en mode sans encodeur mais aucune différence
SI je fais un réglage de course les relais claque mais pas de mouvement affichage = erreur
Les moteurs fonctionnent en les alimentant directement (dans les deux sens)
Le gyrophare fonctionne si je l alimente directement
Les 4 fusibles noir sont ok
En testant les borne de sortie U/V/X/Y et W je n'ai jamais de courant qui arrive.
Merci pour votre aide.
![]()
-----


