bonjour
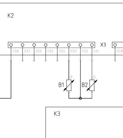
je souhaite changer cette sonde mais je na latrouve pas dans mon armoire congélateur dont la température ne descend pas aussous de -10 degrés.
Voici 2 photos pouvez vous m'aider svp
La premiére photo est la sonde qui se trouve au fond de l'armoire et l'autre photo la sonde entre le toit de l'armoire et l'evaporateur.
462577600_3873139742940148_1167702472219850625_n.jpg
472079431_1117732376213524_1363499954426615168_n.jpg
en attente de votre reponse
-----



