[Brun] branchement électrique nettoyeur haute pression
Répondre à la discussion
Affichage des résultats 1 à 10 sur 10

branchement électrique nettoyeur haute pression



  1. #1
    jpb1970

    branchement électrique nettoyeur haute pression


    ------

    bonjour, je souhaite rebrancher électriquement ce nettoyeur de marque alto dynamic 7650 xtra au composant qui le compose

    je ne trouve rien sur cet appareil

    un micro interrupteur
    un condensateur
    arriver électrique avec câble terre
    merci de votre aide

    -----
    Images attachées Images attachées

  2. #2
    ThomasV

    Re : branchement électrique nettoyeur haute pression

    Bonjour,
    Vous n'avez pas de condensateur sur les photos.
    Sans cela, ça va être compliqué.
    Cordialement, Bonne chance et bon courage.

  3. #3
    jpb1970

    Re : branchement électrique nettoyeur haute pression

    jb,le condasateur je les et je sais ou il va sur le branchement de gauche(prise blanche)
    c est surtout le reste merci !?

  4. #4
    ThomasV

    Re : branchement électrique nettoyeur haute pression

    Vous parlez de cette photo ?

    20250226_114518.jpg

    De plus, sur cette photo, on ne voit pas les fils du moteur.

    Pour moi, on distingue :
    - L'arrivée 230V
    - La connexion du contact du pressostat
    - L'endroit où est branché le fil marron : le switch du bouton de démarrage

    Sur cette photo, on voit le pressostat et son connecteur :

    Le P.jpg

    Et sur celle-ci, c'est le bouton :

    BP.jpg
    Cordialement, Bonne chance et bon courage.

  5. A voir en vidéo sur Futura
  6. #5
    jpb1970

    Re : branchement électrique nettoyeur haute pression

    bonjour,
    les files moteur ce sont deux broches qui sont dessus ,une pour l arriver et l autre pour condensateur ,moi ce que je veux savoir c est comment alimenter l interrupteur 4 broches noir et blanc , sur le moteuR il y as deux emplacement une broche ,phase et neutre une cosse terre et l autre condensateur ,moi si je branche tout il manque deux file qui vont a l interrupteur noir et blanc est ce normal ,dois je refaire un pontage de la prise blanche qui alimente le moteur a l interrupteur cdlt merci

  7. #6
    ThomasV

    Re : branchement électrique nettoyeur haute pression

    Serait-il possible d'avoir une photo une fois tout branché ?
    Du coup, vous cherchez juste à brancher l'arrivée électrique ?
    Où se trouvent ces deux broches moteur ?
    Cordialement, Bonne chance et bon courage.

  8. #7
    jpb1970

    Re : branchement électrique nettoyeur haute pression

    bonjour ,voici les photos des prises moteur ainsi que tous les cables du karcher ,a gauche ce branche le condensateur et droite prise alimentation avec cosse terre ,donc si je branche comme les prises sur le moteur ,un fil bleu et marron repartes sur l interrupteur noir et blanc sur les cosses (sur qu elle cosse dois je brancher )il me manques deux files pour les autres cosses est ce normal !
    cdlt merci

  9. #8
    jpb1970

    Re : branchement électrique nettoyeur haute pression


  10. #9
    jpb1970

    Re : branchement électrique nettoyeur haute pression


  11. #10
    ThomasV

    Re : branchement électrique nettoyeur haute pression

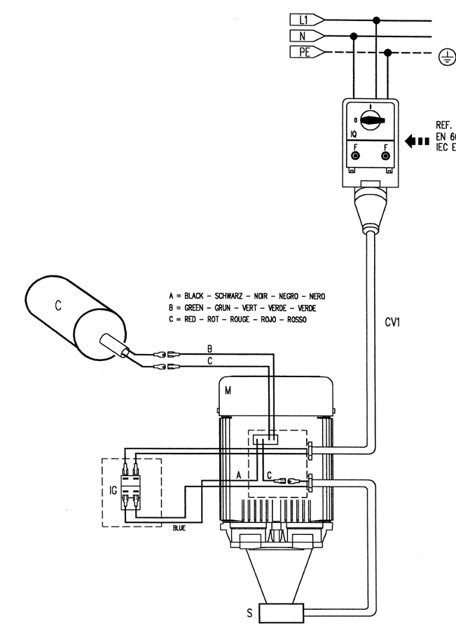
    Voici quelle exemple pour le câblage électrique :

    - Capture d'écran 2025-03-12 085348.png
    - Capture d'écran 2025-03-12 085329.png
    - Capture d'écran 2025-03-12 085314.png

    Attention, avant de tester, assurez-vous du sens de l'interrupteur.
    Pour moi, les deux cosses doivent être branchées.
    Cordialement, Bonne chance et bon courage.

Discussions similaires

  1. Nettoyeur haute pression RYOBI EHP 1340 ... sans pression
    Par castel dans le forum Bricolage et décoration
    Réponses: 1
    Dernier message: 07/05/2022, 06h44
  2. [Blanc] problème de pression - nettoyeur haute pression Nilfisk c120-6
    Par invitececf3fdb dans le forum Dépannage
    Réponses: 2
    Dernier message: 06/04/2021, 14h38
  3. Réponses: 8
    Dernier message: 21/01/2020, 11h59
  4. [Thermique] Nettoyeur haute pression
    Par invite4a8f6ac5 dans le forum Dépannage
    Réponses: 2
    Dernier message: 07/04/2018, 21h32
  5. Branchement Nettoyeur haute pression
    Par invitea2f6d5e7 dans le forum Bricolage et décoration
    Réponses: 8
    Dernier message: 14/01/2013, 15h40
Dans l'univers Maison de Futura, découvrez nos comparatifs produits sur l'univers de la maison : climatiseur mobile, aspirateur robot, poêle à granulés, alarme...