Bonjour à tous.
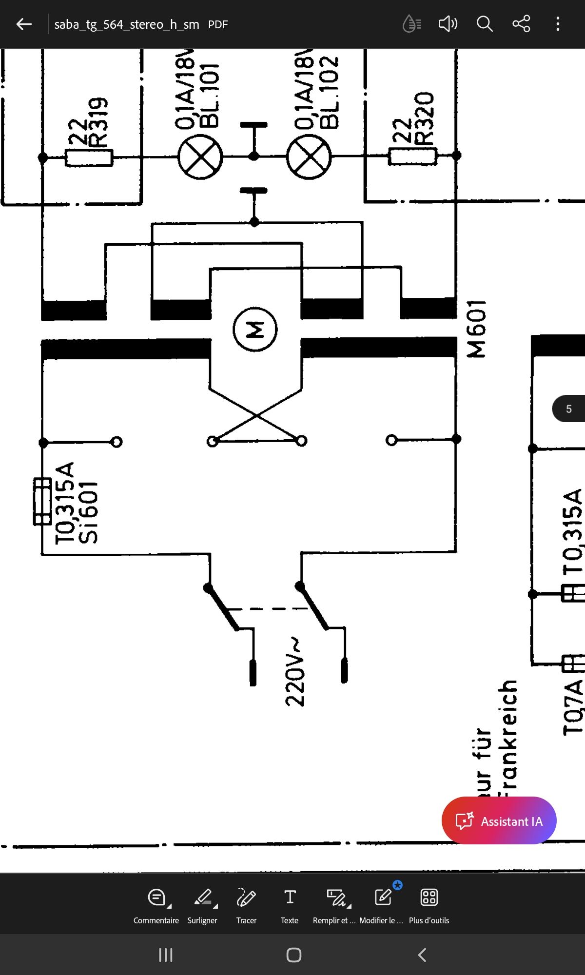
Je viens de récupérer un magnétophone à bande SABA TG564H. Or sur celui-ci il n'y a pas de cordon d'alimentation 220v. Ma demande estdonc a suivante, quelqu'un qui détient ou connait cet appareil pourrait il me prendre une photo du branchement dudit cordon et éventuellement de l'emplacement des courroies.
En vous remerciant par avance.
-----



