Bonjour à tous
Je souhaites pouvoir réaliser le plus simplement possible une temporisation (électronique ou non) avec un retard à la fermeture.
Y-a-t'il qqun pour me venir en aide???
Je veux pouvoir régler cette durée de temporisation à l'aide d'un potentiomètre ou d'un résistance réglable.
Ma tension d'entrée est de 12 V.
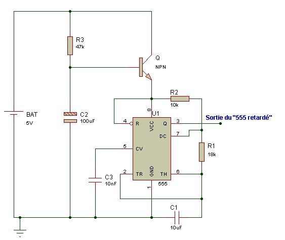
G bien penssé au NE555 en monostable, mais il ne fais pas le retard à la fermeture...
Aidez-moi svp
merci
amicalement
-----


 
 
 comment réaliser une temporisation avec retard à l'enclenchement?
 comment réaliser une temporisation avec retard à l'enclenchement?
				
