excuse moi d'être long à la détente mais c'est vrai que j'ai du mal
-----

excuse moi d'être long à la détente mais c'est vrai que j'ai du mal
Ce que je décris est la procedure d'affichage
Tu met les données que tu veux après
L'affichage est dynamique et doit être rafraichi en permanence
Avec une interruption par exemple toute les 10ms
Code:Main () { Octet1 = 0x1; Octet2 = 0x0x80; Octet3 = 0x0f; delayMs(200); Octet1 = 0x2; Octet2 = 0x0x40; Octet3 = 0xf0; delayMs(200); Octet1 = 0x4; Octet2 = 0x0x20; Octet3 = 0x0f; delayMs(200); // etc ... } interrupt() { affichage(); }
ok merci beaucoup, je te tiens au courant de mon avancement dès que possible. merci et bon week end
Je viens de finir le schema , peux tu me dire si c'est bien comme cela que tu voyais les choses stp? désolé pour le forma je ne maitrise pas très bien isis
je crois que tu n'as pas compris le principe !
Déjà si tu renommait les composants on pourrait mieux y voir...
Il n'y a que 2 x 4015 2x ULN2803 et 3 à 8 x PNP selon le nombre de colonnes désirées
Les 8 leds sont reliées à 1 seul PNP coté anode, par paquet de 8 leds par transistor.
Donc les 8 leds suivantes sont reliées au PNP suivant avec les anodes, les cathodes à travers les résistances sont reliées au même ULN !!!!!
Tout ce qu'il y a dessous est inutile !
(On pourrait en mettre plus pour un journal défilant par exemple ou l'on mettrait au lieu de 8 plusieurs fois 8)
le principe est la matrice à diode ou LEDs.
http://www.interface-z.com/produits/act058_64_led.htm
mais pourquoi toi dans ton schéma il y a 2 UNL2803 et 4 4015 au lieu de 2 que tu m'as dit précédemment ?
sachant que j'ai 4 colonnes de 8 LED
Le 4015 contient 8 sorties qui sont sur 2 blocs de 4 , il faut connecter le D du second sur le 4iem du premier pour continuer le registre et faire 1 seul registre de 8.
regarde la nurérotation de ISIS qui met un a et un b pour la partie 1 et la partie 2.
4 colonnes alors 4 PNP , alors les 4 derniers on s'en fou , on ne les utilise pas .
bonjour
voila je fais le point avec vous sur mon projet. Pour l'instant la gestion de la matrice à led fonctionne bien avec le son joué en même temps. Je rencontre un problème pour dimensionner correctement les résistances car mon professeur m'a changé les led rouge en Blanche donc la luminosité n'est pas terrible pourtant je sais qu'il faut que je "protège" mes transistors avec un résistance sur la base. A force de tester en changeant les valeurs des résistances j'obtiens toujours le même résultat sauf si j'enléve toutes les résistances les LED s'éclairent très bien mais en jaune au lieu de blanc !
auriez vous des calculs à me proposez svp car je ne sais pas vraiment justifier mes dimensionnements, c'est du taton! par exemple de R1 à R8 j'ai calculer R = (Ualim - Uled) / Iled = (5 - 2,2) / 0,02 = 140 Ohm donc 150 sur le schéma
par contre de R9 à R20 c'est un collègue qui m'a conseillé mais il ne sait pas justifier , il m' a dit que ca servait à protéger la base des transistors
Je mets à disposition mon schéma électrique
![]()
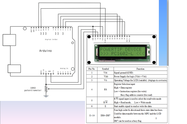
voila le synoptique de mon projet, le son marche en meme temps que la matrice et la gestion des boutons, mais c'est mon afficheur qui ne marche pas, il ne s'allume meme pas, je vous mets aussi à disposition le schéma du LCD
je mettrai une fois fini les programmes et les schémas finis
bonne nouvelle le LCD marche, il me manque vraiment plus qu'avec savoir justifier les composants de ma matrice à led...
les leds on un courant d'utilisation géneralement 20ma comme dans le calcul.
Si on met une résistance plus faible le courant augmente et la Led risque de grillé , quand la couleur change on est déjà largement au dessus de la valeur préconisée.
Dans l'exemple on fait du dynamique c est à dire le temps da'llumage qui est divisé par le nombre de colonnes , ici 4 , donc l'allumage sera de 25% du temps.
Bien veillé a ce que le soft allume vraiment pendant ce temps et ne s'éteint pas aussitôt .
Après cela dépend de la led elle même, il faut des leds "haute luminosité" ne pas confondre avec les leds qui consomme plus , à même consommation certaines ont de meilleurs rendement.
ok merci freepicbasic! je me suis trompé de conversation c'est dernier temps j'ai posté ce message sur une question de quelqu'un d'autre et daudet m'a répondu que mes resistances R17 à R20 ne servent à rien.
je pense que mon prof m'a donné des leds standard car à mon avis haute luminosité ca coute trop chère pour l'université à force
mais du coup que me conseilles tu? et quels est le bon calcul pour justifier les résistances de R9 à R16? quelque est la bonne formule?
Bonjour, avec du retard je m'en excuse je mets donc en ligne mes rapports avec les parties electronique et logiciel. J'ai obtenu 15/20 avec mon collègue en comptant la soutenance et les différents rapport. Merci à tous pour votre aide
a bientot
Adrien
