Bonjour à tous,
un ami (qui habite à l'autre bout de la planète) m'a demandé de lui programmé un ESP32 afin de pouvoir détecté et de l'alerter lors de l'inondation de sa cave.
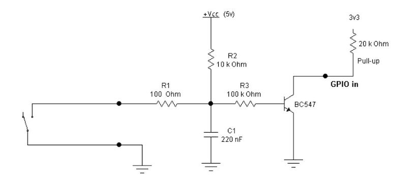
J'ai donc fait le programme mais je m'interroge sur la longueur max du câble entre l'ESP et le capteur (qui est un contact sec).
le capteur sera relié d'un coté à une entrée GPIO (en pull up) de l'ESP et à la masse de l'autre coté, comme sur le schéma ci dessous.
cet ami me parle de 40m de câble entre le capteur et l'ESP.
une telle longueur de va t'elle pas influencer la détection ?
Merci d'avance pour vos retours.
-----










