Bonjour,
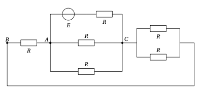
Pouvez-vous m'aider à représenter un circuit contenant 3 branches entre A et C, l'une contenant un générateur et un transistor en série et les deux autres un résistor chacune. Sachant également que entre A et C il y a un résistor et entre B et C il y a 2 résistors en parallèle.
Merci pour votre aide
-----




