Bonjour
Sur une machine de labo, j'ai un roulement HS. C'est un homogénéiseur, qui peut monter à 25000 tours/min.
Sur l'axe, il y a un ventilo, puis le roulement en question (on parle du roulement coté opposé au collecteur), puis une pièce d'accouplement. La bague de la pièce d'accouplement est plus large que le diamètre intérieur du roulement, donc je dois la déposer.
La question est : quelle est la méthode d'assemblage la plus probable ?
Le rotor bloqué à l'étau, la pièce d'accouplement peut tourner, pas facilement. Je ne vois rien qui pourrait ressembler à une empreinte de vis à l'extrémité de cette pièce.
Alors : on sort en force ? on chauffe ? La difficulté est de démonter sans bousiller, c'est un truc à 2500 balles, cher pour ce que c'est !
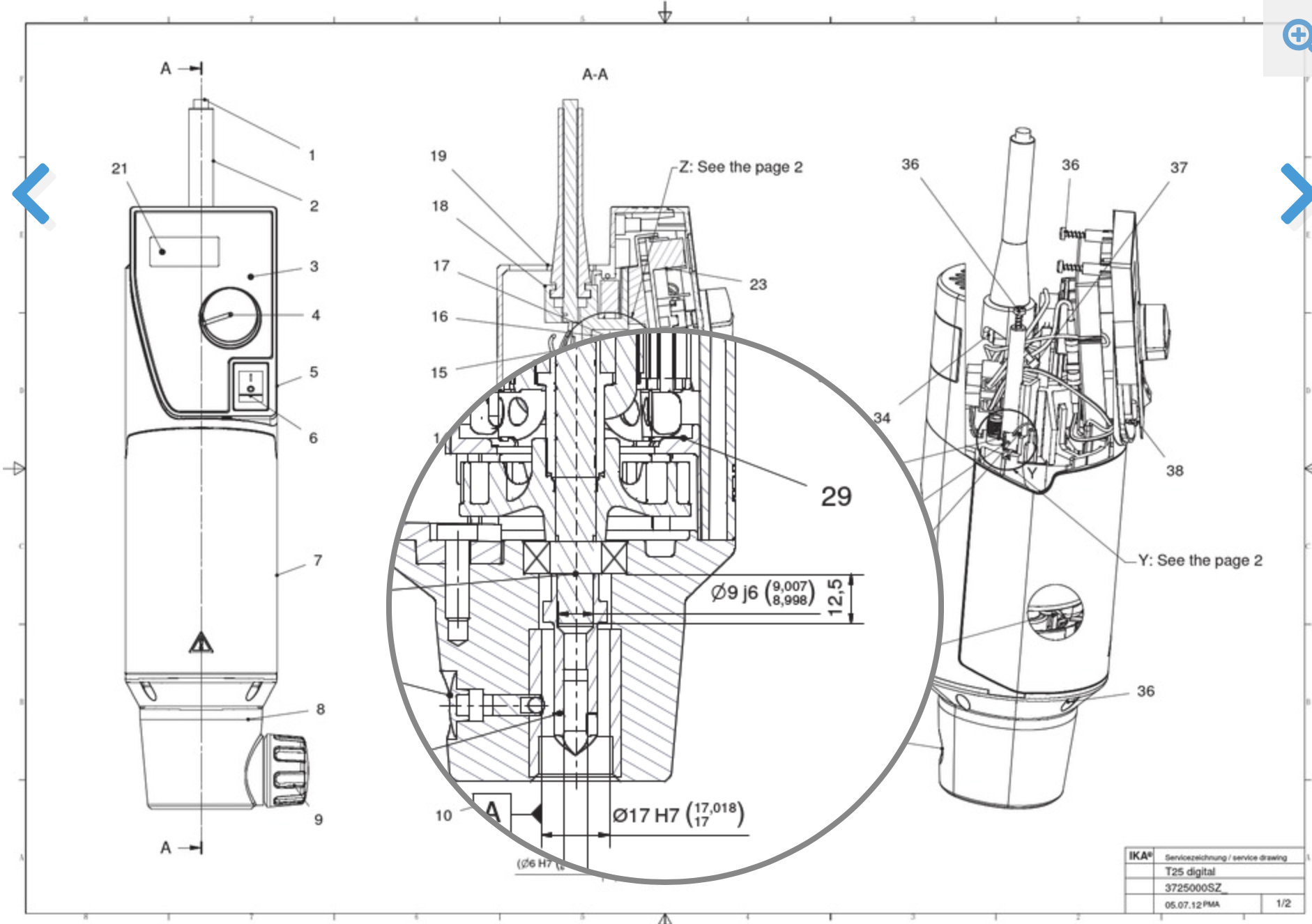
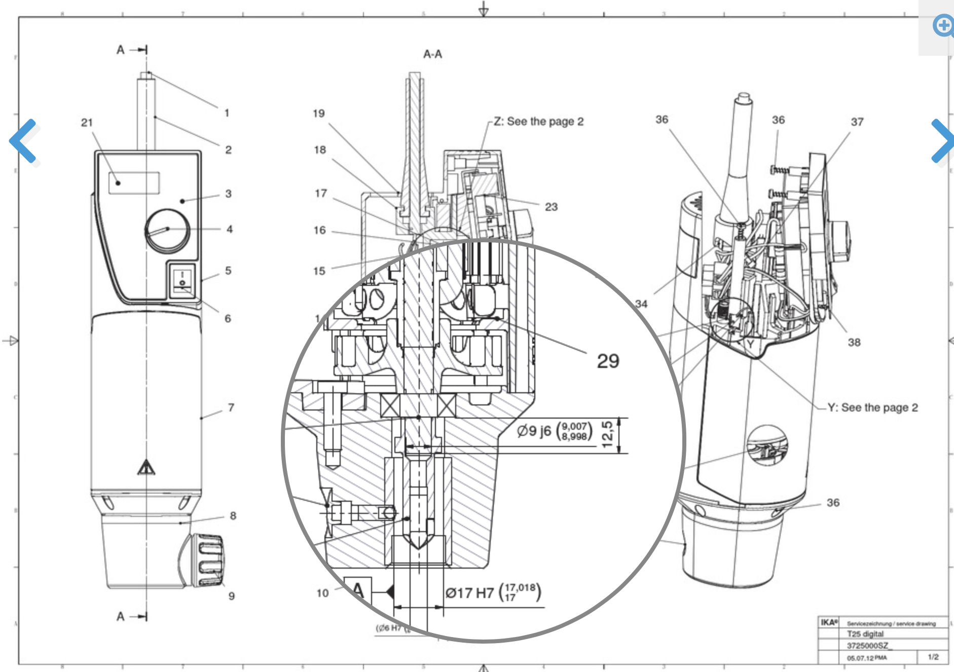
(bien évidemment il ne faut pas compter sur l'existence d'une vue éclatée ou d'un dessin technique)
Merci de vos avis.
-----



