Bonjour,
Je m’appelle Erior, je suis en Dordogne.
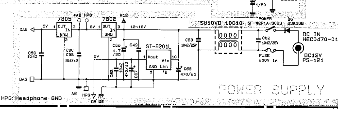
Mon synthé Kawai ne s’allume pas.
L’alimentation DC fonctionne, l’interrupteur et le fusible sont OK, mais il ne s’allume quand même pas.
Voici une photo de la carte électronique :
https://lc.cx/WV_ZBo
Pouvez-vous m’indiquer ce que je peux vérifier ou changer ?
Merci d’avance pour vos conseils.
-----





