Bonjour à tous,
Me voilà entrain de vouloir réparer mon ampli hifi-vidéo Yamaha RX-A2010 de 2012.
Je précise que je me suis renseigné sur d'autre forums français et anglais sans y trouver de réponse. Des sujets similaires ont été traités il y a longtemps et les forums/ sites d'image-post ne gardent pas forcément les photos sur le long terme.
Bref, tout ça pour en venir au problème:
Pendant un visionnage il s'est subitement arrêté. J'ai tenté de le redémarrer en appuyant sur le bouton power, il s'est allumé environ 2 secondes avant de se recouper et depuis plus rien.
Impossible de le démarrer, de lancer une procédure de factory reset car je n'ai même pas la veille d'allumée.
Pour ne plus rien avoir, j'imagine que cela vient du bloc de puissance, carte où le connecteur d'alimentation est soudé. Il y a un fusible qui est ok (contrôlé au multimètre).
J'aurais tendance à partir sur un problème de condensateur vu qu'il a redémarré mais s'est rapidement éteint comme si un condo ne stockait plus jusqu'à lâcher. Peut-être une résistance "fusible" mais toutes paraissent visuellement en bonne état et surtout l'ampli ne se serait pas rallumé, même 2 sec non?
Dites-moi si je me trompe dans mon pré-diagnostic et vers quel composant devrais-je plutôt m'attaquer il y a un gros condo 100uF 400V? il y a aussi un 0.068uF 275v AC (ça me rappelle mon thermostat de radiateur!)
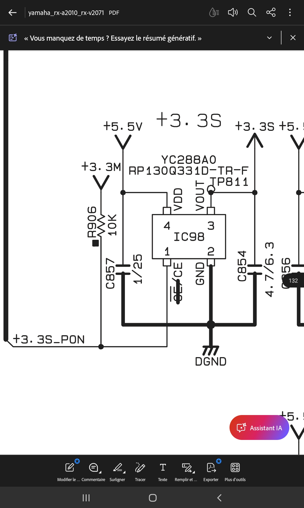
Quelques photo de la carte :
IMG_20251122_171809.jpg
IMG_20251122_171840.jpg
IMG_20251122_171854.jpg
IMG_20251122_171933.jpg
Merci pour votre aide
-----






