Bonjour à tous.
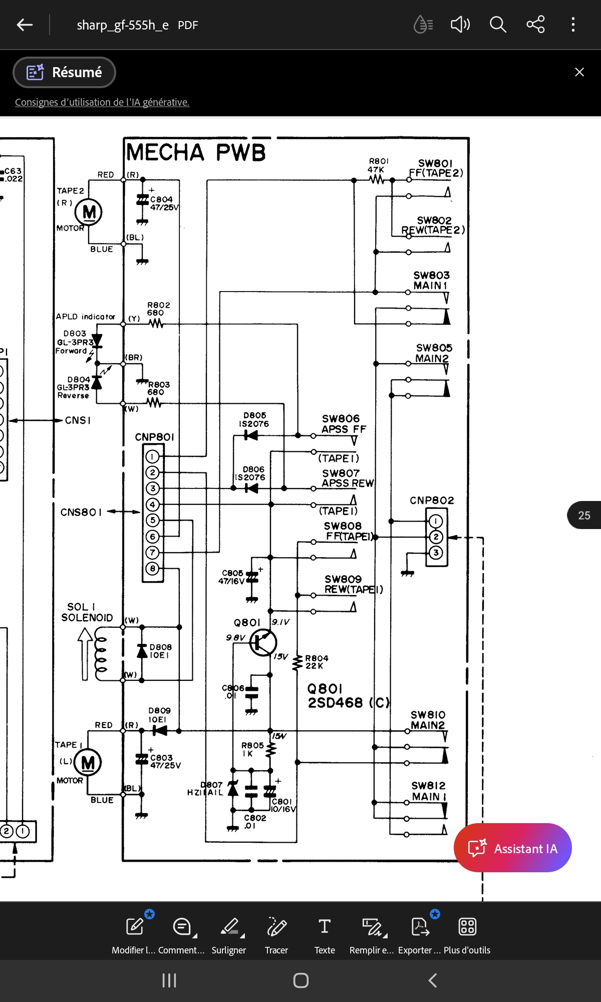
J'ai récupéré un boombox SHARP GF555 qui me pose problème sur les lecteurs de cassettes. La radio quant à elle fonctionne très bien.
Concernant les deux lecteurs de cassettes, l'avance rapide et le retour rapide fonctionnent très bien.
Concernant la fonction lecture les bobines ne tournent pas alors que seul le cabestan tourne. Je précise que les touches de commande ne forcent pas.
J'ai changé toutes les courroies mais pas de changement.
Quelqu'un detiendrait il la solution pour que la fonction lecture marche normalement?
Merci d'avance pour votre aide.
-----

