[Brun] probleme porte automatique de poulailler - Page 2
Répondre à la discussion
Page 2 sur 3 PremièrePremière 2 DernièreDernière
Affichage des résultats 31 à 60 sur 89

probleme porte automatique de poulailler



  1. #31
    titijoy3

    Re : probleme porte automatique de poulailler


    ------

    non, il suffit de se pencher sur la datasheet et de comprendre le fonctionnement d'un relais,

    si c'est pour dessouder que c'est compliqué il faut faire des mesures in situ en ayant la datasheet sous les yeux pour se repérer au niveau des soudures, on cache la cellule, on mesure au niveau des contacts (en voltmètre par rapport au moins d'alimentation, donc, la pointe de touche noire sur le "moins", l'autres pointe de touche sur chaque coté des contacts), si on trouve la même tension de chaque coté du contact le contact est passant, si ce n'est pas le cas il est non passant

    -----
    Maaaagnifiiiiique ! tout ça n'a aucune importance..

  2. #32
    Bruns27

    Re : probleme porte automatique de poulailler

    Photos du remplacement
    j'ai remplacé le relais noir d'origine par le bleu

    remplacement relais (2).jpg
    remplacement relais (1).jpg

  3. #33
    Bruns27

    Re : probleme porte automatique de poulailler

    Titijoy

    pourrais tu me guider avec mon schéma numéroté en post#28
    où c'est compliqué à distance ?

    cdlt
    Dernière modification par Bruns27 ; 28/03/2026 à 08h40.

  4. #34
    titijoy3

    Re : probleme porte automatique de poulailler

    la datasheet:https://www.alldatasheet.com/datashe...ETC/HRS4E.html
    Images attachées Images attachées  
    Dernière modification par titijoy3 ; 28/03/2026 à 08h45.
    Maaaagnifiiiiique ! tout ça n'a aucune importance..

  5. #35
    Bruns27

    Re : probleme porte automatique de poulailler

    ok titijoy3

    si j'ai bien compris:
    pointe de touche noire toujours sur C
    pointe de touche rouge sur R je dois trouver 12V
    pointe de touche rouge sur T je dois trouver 12v quand j'appuie sur la télécommande pour actionner le relais

    est ce que c'est ça?

  6. #36
    lutshur

    Re : probleme porte automatique de poulailler

    Tu mesures une pointe de touche sur 3 et l'autre sur 4. Un coup en montée, un coup en descente. La tension doit s'inverser, s'il y en a bien une.
    Nom : avec numéros.jpg
Affichages : 37
Taille : 463,8 Ko

  7. #37
    Bruns27

    Re : probleme porte automatique de poulailler

    Merci lutshur
    pas de tension aux bornes 3 et 4
    en plus l'un des relais, mais pas l'autre, a une continuité entre CR et CT (schema de titijoy) donc pas bon

    platine alimentée, est ce que je peux voir si les relais sont bien alimentés en 12v ?
    est ce que je dois trouver 12v aux bornes b1 et b2 de la bobine?

  8. #38
    lutshur

    Re : probleme porte automatique de poulailler

    Tu dois avoir 12V sur la borne 5 de la bobine. Je ne pense pas que ce soit le problème.
    Si chaque borne marquée "commande" passe à 0V, le relais correspondant doit basculer. Et donc, en 3 ou 4, tu dois avoir 12V ou 0V selon le cas.
    Un seul relais bascule à la fois, un en montée, l'autre en descente

  9. #39
    Positron1

    Re : probleme porte automatique de poulailler

    Salut,
    Quand c'est comme ça, pour un dépannage, tu mets dans le bon sens une led en série avec une résistance de 2200 aux bornes des relais, tu comprendras plus facilement le fonctionnement et ça te permet de faire d'autres mesures tranquillement
    Tu as deux montages possible:
    1 Un relais donne le sens AV ou AR et l'autre met la tension
    2 Un relais donne le sens AV un donne le sens AR
    Le savoir des uns peut faire le bonheur des autres

  10. #40
    titijoy3

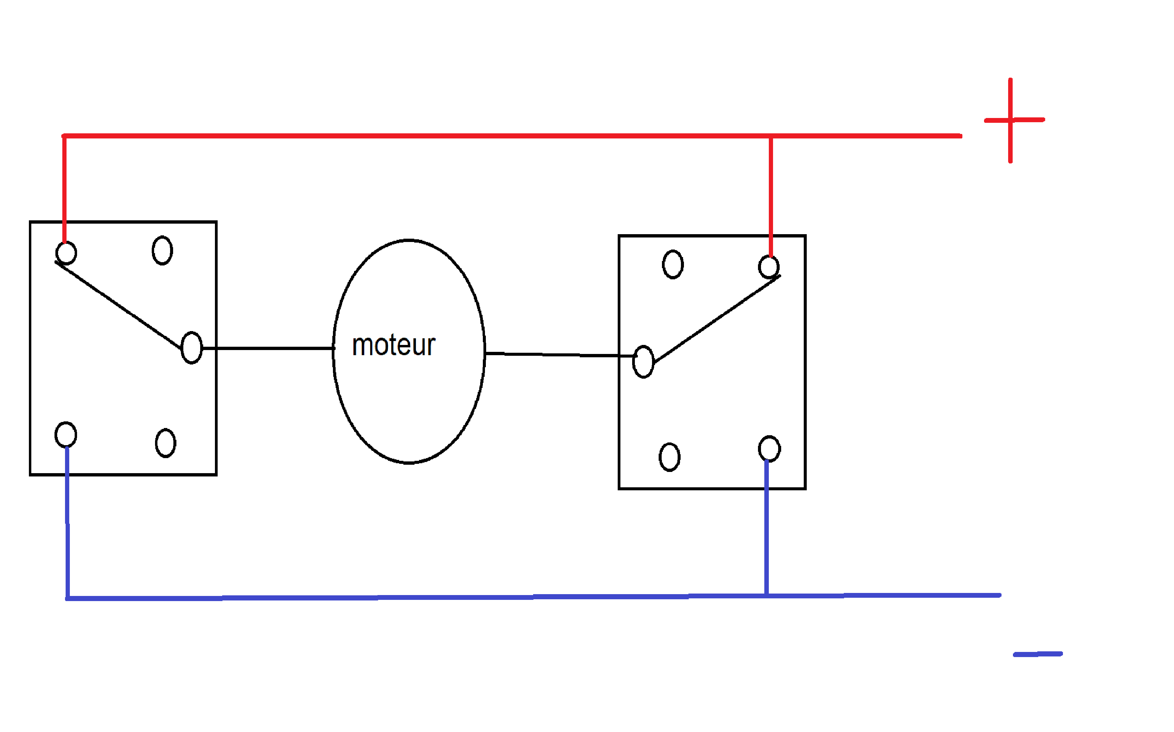
    Re : probleme porte automatique de poulailler

    au niveau des relais ça devrait ressembler à ça (je n'ai pas vérifié en détails):

    quand aucun relais n'est activé les deux bornes du moteur sont au même pôle, le moteur ne tourne pas
    quand un des relais est activé son contact passe sur l'autre pôle, le moteur tourne dans un sens
    quand l'autre relais est activé le moteur tourne dans l'autre sens
    Images attachées Images attachées  
    Dernière modification par titijoy3 ; 28/03/2026 à 10h18.
    Maaaagnifiiiiique ! tout ça n'a aucune importance..

  11. #41
    Bruns27

    Re : probleme porte automatique de poulailler

    Merci à tous pour vos réponses,

    c'est complexe quand même
    d'après vous est ce que le relais bleu Songle est compatible avec les noirs d'origine HWE

    Nom : remplacement relais (2).jpg
Affichages : 35
Taille : 2,01 Mo

  12. #42
    lutshur

    Re : probleme porte automatique de poulailler

    Les relais sont compatibles. Le marquage est bien HRS4H et non pas HRD4H
    Nom : SRD.png
Affichages : 30
Taille : 249,2 Ko
    Dernière modification par lutshur ; 28/03/2026 à 12h04.

  13. #43
    lutshur

    Re : probleme porte automatique de poulailler

    c'est complexe quand même
    Ce qui importe est la tension mesurée par rapport au 0V, sur 3 et 4, en mode montée et en mode descente.
    Il doit y avoir 12V sur l'un et 0V sur l'autre et lycée de Versailles.
    A l'arrêt, il peut y avoir 12V sur les deux, mais 0V sur les deux me semble plus normal.

  14. #44
    titijoy3

    Re : probleme porte automatique de poulailler

    ----------
    Dernière modification par titijoy3 ; 28/03/2026 à 12h41.
    Maaaagnifiiiiique ! tout ça n'a aucune importance..

  15. #45
    Bruns27

    Re : probleme porte automatique de poulailler

    Merci lutshur
    je vais remplacer les 2 relais par 2 bleus que je testerai au préalable.

    Par contre ça je ne comprends pas :
    Citation Envoyé par lutshur Voir le message
    Ce qui importe est la tension mesurée par rapport au 0V, sur 3 et 4, en mode montée et en mode descente.
    Il doit y avoir 12V sur l'un et 0V sur l'autre et lycée de Versailles.
    A l'arrêt, il peut y avoir 12V sur les deux, mais 0V sur les deux me semble plus normal.
    dis moi, stp, précisemment où mettre mes pointes de touches.
    Merci d'avance

  16. #46
    Bruns27

    Re : probleme porte automatique de poulailler

    Je viens de tester 2 relais bleus dessoudés.
    pointe noire sur le pin entre la bobine et au multimetre ça sonne sur une des pattes d'en face quand non alimentée et ça ne sonne sur l'aute patte quand alimentée : donc a priori ils sont bons. j'ai appliqué ce tuto sur le net :https://www.youtube.com/watch?v=MHpC4WuXBBk

    Par contre, je me dis que si je soude les relais sur la carte en l'état, c'est peu etre pas bon pour les contacts car il y a un revêtement mince isolant bleu et peut etre que ça isole?

    Nom : remplacement relais (1).jpg
Affichages : 26
Taille : 1,62 Mo

    Merci pour vos réponses

  17. #47
    f6exb

    Re : probleme porte automatique de poulailler

    En changeant tes relais, tu n'as pas arraché des pistes ?
    Seuls les faucons volent. Les vrais restent au sol.

  18. #48
    lutshur

    Re : probleme porte automatique de poulailler

    Je ne pensais pas être aussi confus.
    En mode montée, donne la tension entre le 0V et 3 et 4.
    En mode descente, même chose.
    Si tu as déjà enlevé un relais, reste comme ça. Fais la même manip et précise quel relais a été enlevé.
    Plus tard, tu vérifieras qu'il y a bien une commande sur chacune des bobines. Plus tard.
    Edit, j'avais noté 12 Ohms pour la grosse résistance. C'est 0,12 Ohm.
    Dernière modification par lutshur ; 28/03/2026 à 14h01.

  19. #49
    Bruns27

    Re : probleme porte automatique de poulailler

    non je ne crois pas.
    Par contre sur la photo ci-dessus, y a t'il un pb à souder directement car il y a un vernis je crois ou faut-il gratter ?

  20. #50
    Bruns27

    Re : probleme porte automatique de poulailler

    Merci F6 exb,

    non je ne crois pas.
    Par contre sur la photo ci-dessus, y a t'il un pb à souder directement car il y a un vernis je crois ou faut-il gratter ?

    Citation Envoyé par lutshur Voir le message
    Je ne pensais pas être aussi confus.
    En mode montée, donne la tension entre le 0V et 3 et 4.
    En mode descente, même chose.
    Si tu as déjà enlevé un relais, reste comme ça. Fais la même manip et précise quel relais a été enlevé.
    Plus tard, tu vérifieras qu'il y a bien une commande sur chacune des bobines. Plus tard.
    Edit, j'avais noté 12 Ohms pour la grosse résistance. C'est 0,12 Ohm.
    le probleme c'est que les 2 relais sont déssoudés.donc il faut que je les ressoude avant pour faire le test (c'est bien ça?): d'ou ma question par rapport au vernis

    Ce n'est pas toi qui est confus, mais ma maigre expérience fait que je ne comprends pas toujours le sens des directives qui me sont données.
    Dernière modification par Bruns27 ; 28/03/2026 à 14h13.

  21. #51
    lutshur

    Re : probleme porte automatique de poulailler

    Ne remets pas les relais.
    On va vérifier s'il y a bien un signal de commande pour chaque bobine.
    Mode montée, donne la tension de la borne "commande" de chaque relais par rapport au 0V.
    Mode descente idem.
    Auparavant, vérifie qu'il y a bien 12V sur chaque borne 5
    Edit
    Ah ben non il faut soit les bobines en place, soit une résistance
    Dure la digestion.
    Dernière modification par lutshur ; 28/03/2026 à 14h22.

  22. #52
    lutshur

    Re : probleme porte automatique de poulailler

    Bon, montre la face composants sans les relais.

  23. #53
    Positron1

    Re : probleme porte automatique de poulailler

    Re,
    Entre les borniers il se trouve deux leds , Qu'indiquent elles ? Montée, descente ou 12V et autre ?
    Ne te soucie pas du vernis
    Le savoir des uns peut faire le bonheur des autres

  24. #54
    Bruns27

    Re : probleme porte automatique de poulailler

    Bonjour
    ci joint montage de l'un des 2 relais.
    désormais plus aucun clic du relais quand j'actionne la télécommande.
    Positron1 : les 2 leds s'allumaient à la descente et montée de la porte.
    Je crois que le led de gauche s'allumait quand la porte montait

    Nom : 20260328_175002_resized.jpg
Affichages : 21
Taille : 2,19 Mo

  25. #55
    titijoy3

    Re : probleme porte automatique de poulailler

    il y a un bouton pour apairer la télécommande et un bouton test, il faudrait essayer de réapairer la télécommande, peut être que l'apairage à été perdu ?

    que se passe t'il si on appuie sur test ?

    pour apairer la télécommande il faut appuyer k1 1 seconde, relacher k1 puis appuyer n'importe quelle touche de la télécommande, la led rouge clignote indiquant que la télécommande est apairée puis appuyer k1 12 secondes (si j'ai bien compris la manip)
    Dernière modification par titijoy3 ; 28/03/2026 à 17h34.
    Maaaagnifiiiiique ! tout ça n'a aucune importance..

  26. #56
    Bruns27

    Re : probleme porte automatique de poulailler

    titijoy3

    j'ai réapairé le télec. elle répond par une lumiere rouge sur la carte, mais pas de relais qui claque.
    le bouton test fait normalement bouger la porte, mais la pas de click de relais non plus
    Est ce que je devrais souder l'autre relais pour voir ?

    la résistance indique 1.3 ohms sur le calibre 200
    code couleur de gauche à droite : marron rouge noir argent marron
    Dernière modification par Bruns27 ; 28/03/2026 à 17h46.

  27. #57
    lutshur

    Re : probleme porte automatique de poulailler

    Ha tu en as remis un pour l'essai. Dommage, il y a trop d'ombres et ce relais pour une bonne vision.
    désormais plus aucun clic du relais quand j'actionne la télécommande
    Mes 5 cents que celui-ci ne fonctionnait plus parce que sa commande est HS. On va bien voir.
    Je ne suis pas encore certain que la borne 5 de la bobine va bien au 5 du connecteur, tu peux vérifier quel trou du relais manquant est relié au 1 ou au 5 ?
    Si la numérotation est bonne, tu peux mesurer ça, à l'arrêt, en montée, en descente ?
    Nom : avec numéros.jpg
Affichages : 22
Taille : 464,6 Ko

  28. #58
    Bruns27

    Re : probleme porte automatique de poulailler

    "Si la numérotation est bonne, tu peux mesurer ça, à l'arrêt, en montée, en descente"

    tension: 11,6v dans les 3 cas demandés

  29. #59
    lutshur

    Re : probleme porte automatique de poulailler

    Voilà.
    Pour confirmation, tu déplaces le relais sur l'autre emplacement , ou tu mets seulement l'autre et tu essaies de le faire claquer. Mais avant, tu peux faire une photo sans relais? je voudrais bien voir les liaisons

  30. #60
    annjy

    Re : probleme porte automatique de poulailler

    Citation Envoyé par Bruns27 Voir le message
    ............
    la résistance indique 1.3 ohms sur le calibre 200
    code couleur de gauche à droite : marron rouge noir argent marron
    Bsr,
    pour moi:

    marron rouge noir argent marron
    1 2 0 x0,01 1%

    donc 1,2 Ohms à 1%

    la mesure à 1,3 semble confirmer.(c'est le multimètre qui n'est pas précis pour ces valeurs)

    cdlt,
    JY
    Dernière modification par annjy ; 28/03/2026 à 18h29.
    M'enfin ?!

Page 2 sur 3 PremièrePremière 2 DernièreDernière

Discussions similaires

  1. porte automatique de poulailler
    Par inviteb62e132f dans le forum Bricolage et décoration
    Réponses: 2
    Dernier message: 05/11/2021, 08h50
  2. Porte de poulailler automatique
    Par invite900715a3 dans le forum Bricolage et décoration
    Réponses: 6
    Dernier message: 30/10/2021, 19h42
  3. Porte de poulailler automatique
    Par invitea4d62159 dans le forum Électronique
    Réponses: 148
    Dernier message: 12/05/2018, 21h52
  4. Porte poulailler automatique
    Par invite41adb105 dans le forum Électronique
    Réponses: 26
    Dernier message: 25/08/2014, 20h11
  5. porte de poulailler automatique
    Par invite938e6abf dans le forum Bricolage et décoration
    Réponses: 9
    Dernier message: 10/12/2011, 16h41
Dans l'univers Maison de Futura, découvrez nos comparatifs produits sur l'univers de la maison : climatiseur mobile, aspirateur robot, poêle à granulés, alarme...