bonjour
je cherche un schema ,qui affiche les touches du clavier
(pr une initiation). sur 1 digit.
exemple , le 1 est activé , le 1 s'affiche , le 5 activé...
le 5 s'affiche sur le digit..exct..
merci
-----

bonjour
je cherche un schema ,qui affiche les touches du clavier
(pr une initiation). sur 1 digit.
exemple , le 1 est activé , le 1 s'affiche , le 5 activé...
le 5 s'affiche sur le digit..exct..
merci
pr etre plus precis , clavier "10" touches.
Bonjour Triac,
un clavier matricé 4x3 ou 4x4, directement raccordé à un encodeur clavier 74C922 (sortie en BCD), lui-même suivi d'un décodeur BCD vers 7 segments (CD4511, CD4543, SN7446 ou SN7448) pour attaquer ton afficheur sept segments, et le tour est joué.
J'ai utilisé cette conf pour la réalisation d'un commutateur audio 8 entrées avec visu de l'entrée sélectionnée. Remarque : le code BCD en sortie ne reste que pendant l'appui d'une touche, mais c'est ce que tu veux si j'ai bien compris.
Si ton clavier 10 touches est un modèle à point commun unique (11 fils) la solution précitée ne convient plus. Il faut dans ce cas utiliser un encodeur de priorité genre CD4532.
Cordialement.
Bonjour Triac,
un clavier matricé 4x3 ou 4x4, directement raccordé à un encodeur clavier 74C922 (sortie en BCD), lui-même suivi d'un décodeur BCD vers 7 segments (CD4511, CD4543, SN7446 ou SN7448) pour attaquer ton afficheur sept segments, et le tour est joué.
J'ai utilisé cette conf pour la réalisation d'un commutateur audio 8 entrées avec visu de l'entrée sélectionnée. Remarque : le code BCD en sortie ne reste que pendant l'appui d'une touche, mais c'est ce que tu veux si j'ai bien compris.
Si ton clavier 10 touches est un modèle à point commun unique (11 fils) la solution précitée ne convient plus. Il faut dans ce cas utiliser un encodeur de priorité genre CD4532.
Cordialement.
merci pr l'aide Chimimic.
c'est un clavier a point commun justement...
t'as pas un schema ?
Je n'ai pas de schéma tout fait pour le clavier à point commun, mais ce n'est pas trop compliqué, si l'on suit les docs fabricant (datasheet) des composants précités.
Sur le Datasheet du CD4532, figure 15, tu trouveras un schéma mettant en oeuvre 2 circuits de ce type pour un encodage de priorité sur 16 niveaux, avec en sortie, un code BCD sur 4 bits. Utilises les 10 entrées D1 à D10 et ignores les 6 autres (D0 et D11 à D15).
Cables les sorties Q0' à Q3' sur les entrées A, B, C et D d'un décodeur BCD / 7 segments tel le CD4543, et tu as une bonne base de ce que tu peux faire (c'est une solution parmi d'autres).
si j'utilise ce schema...et que je "vire" les transistors et les resistances a l'entrée du 40147 et je garde l'architecture
du montage c'est bon ?
en sortie du 40147 je mets un 4511 et derriere un digit ?
qu'en pense tu ?
(suis "aussi" nul en anglais...)
http://www.n4ats.com/?TS-850S_Interface
Bonjour,
Le CD40147 est aussi un encodeur de priorité, mais à dix entrées, ce qui correspondrait plus à ce que tu cherches.
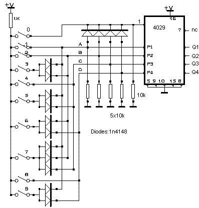
Salut,
Un clavier "maison" :
les diodes creent le mot binaire et le 4029 le mémorise jusqu'à nouvel ordre(nouvel appui) .
Pour l'affichage en décimal, les 4 sorties Q1 à Q4 du 4029 peuvent etre reliées à un decodeur BCD/7seg (4511 par ex) .
il me plait bien ton schema maxitec
je vais le "tenté"..tu l'as dejas fait ?
autre chose j'ais un 74LS247 et un 74LS47
et plusieurs afficheurs a cathodes commune , malgré la lecture des datasheet , je n'arrive pas a determiné
si ces decodeurs BCD sont pr les afficheurs a cathodes
commune ou pas...(fond de tiroir)
merci
Oui, ce montage marche parfaitement..
le 74LS47 peut etre relié à 4029 (le tout sous 5v) mais il est pour les "anodes communes".
Aucune idée pour le 74LS247.. (idem que toi ou presque pour l'anglais, garde le secret)
ok , mais..pr pouvoir réutiliser mes "digits" a cathode commune , c'est donc un 74LS48 qu'il me faut..?
ou alors en CMOS y'a le 4511 , mais le probléme c'est que le
que je n'ais que l'affichage de zero a 9...pas plus !!
y'a un decodeur BCD en CMOS qui peut affiché plus de
segments ? (peut importe le segment..le signe....)
pr cathodes commune bien sur.
merci
Mais, le clavier egalement commence par "0" et finit par "9" ce qui fait 10 touches.
l'affichage suit cette régle bien sur..
ok, que pense tu du 4055 il semble bien etre a cathode commune , mais quelle difference alors avec le 4056 ???
ds le datasheet du 4055 "ils" mettent" aussi le 4056 ! ?
4055 et 4056 pour afficheur LCD
4511: pour afficheur à leds.
pour LCD ?
alors celui la serait bon ? qu'en pense tu ?
(afficheur ,segment led.)
http://pdf1.alldatasheet.com/datashe.../CD40147B.html
J'ai déjà vu le 40147 ici
c'est un encodeur décimal/binaire. il est l'equivalent en quelque sorte de l'ensemble diodes + 4029 dans le schéma post 8
le schéma à 40147 peut être modifié: il suffit de remplacer chaque transistor de commutations (Q5 à Q13)par une touche qui doit commuter l'entrée adéquate à la masse. Les résistances (R5 à R13) reliées au +12v, doivent rester et celles des bases transistors (R14 à R22) éliminées.
Un décodeur BCD/7 segments (4511 par ex) est toujours nécessaire.
Ce schéma est prévu seulement pour 9 touches 1…9.
logiquement l'entrée "0" (pied 15) peut etre reliée à une touche, de la meme façon que les autres (une 10k vers le "+12v).
ok, merci pr ton aide
