Ok, dans qq mn
-----

Ok, dans qq mn
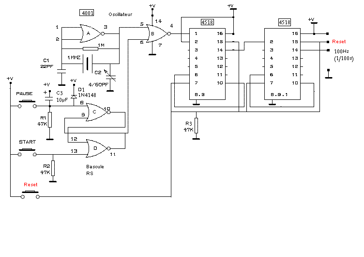
Un ex d'oscillateur à quartz 1Mhz (4001 ou 4011 ou 4093).
Tu peux aussi trouver un "tout fait" :
Merci beaucoup
mais si j'ai bien compris on a une sortie à 1 Mhz
Comment on fait pour la diminué à 100hz
Et quand tu dit "tout fait" c'est quoi?
Et dernière question après je pense pouvoir m'en sortir : est-ce que pour compter les impulsions le 4518 et assez rapide pour tout compter la fréquence de 100hz ?
Une ultime question
qu'est ce le composant qui s'appelle 4/60 PF ?
Exact.mais si j'ai bien compris on a une sortie à 1 Mhz
On divise 1Mhz (= 1000.000 Hz) succevement par10 (4fois)Comment on fait pour la diminué à 100hz
l'entrée se fait par "clk"
Quartz seul:Et quand tu dit "tout fait" c'est quoi?
Oscillateur à Quartz "tout fait": Quartz + oscillateur dans le même boîtier:
le 4518 et très rapide, bien plus que 100 hz ..est-ce que pour compter les impulsions le 4518 et assez rapide pour tout compter la fréquence de 100hz ?
Condensateur ajustable pour ajuster l' horlogequ'est ce le composant qui s'appelle 4/60 PF ?
tu peux poser les questions que tu veux..Une ultime question
Merci beaucoup pour avoir pris le temps de me répondre et pour toutes ses informations
Il me reste un dernier doute:
Pour brancher le 4518, pour que celui ci compte l'implusion sur le front montant, il faut brancher "l'impulsion" sur le 1, Vcc sur le 2 et raz sur le 7.
Et pour que le 4518 compt l'impulsion sur le front descandant, il faut brancher "l'implusion" sur le 2 et la masse sur le 1?
Je voudrai juste savoir si se que je pense est juste car j'ai un énorme doute et je voudrai pas faire n'importe quoi. Autrement pour le reste j'ai fait quelque schéma et sa devrai aller.
merci
Exact, le data sheet le comfirme.
Ci joint l'oscillateur 1Mhz + les 2 div pour avoir 1/100 s + un exemple de commande par bascule RS à portes NOR (si cela te convient ): Start – Pause - Reset.
merci pour ta confirmation mais je n'arrive pas à ouvrir les lien que tu m'a passer
en fait c'est bon les liens fonctionne mais c'est pareil pour le 15 et 16 si on veut qu'il compte le front descandant on branche la masse sur le 15 et l'impulsion sur le 16? et ton circuit est alimenté avec du combien?
Autrement il m'est très utile
merci![]()
le "16" c'est la borne pour l'alimentation du CI (5 à 12v, tu as le choix)
Chaque boitier 4518 renferme 2 compteurs: 7 est le reset du 1er , 15 celui du 2eme.
si j'ai bien compris il faut que j'intervertisse le 8 et 9 pour que le second compteur compte le front descandant.
C'est bien sa?
Les bornes "8" et "9" du 1er 4518 sont reliées à la masse.
Les "8", "9" et "1" du second sont aussi à la masse.
Les données "front ascendant" et "front descendant" sont bien respectés.
La sortie 100 Hz (14 du 2eme 4518) sera reliée à une entrée clock front descendant de la 2eme carte à venir.
Le role de la bascule RS (portes nor C et nor D) est suivant le cas, de bloquer (bouton pause) ou débloquer (bouton start), le signal 1Mhz vers l'entrée horloge du 1er 4518 (pied "1") par la porte nor D.
la table de vérité du 4001 t'aidera à y voir clair. Google "sait" te la présenter ..![]()
Cordialement ..
Infiniment merci
La je pense pouvoir m'en sortir avec toute ses informations.
encore merci
Réctification: le signal 1Mhz vers l'entrée horloge du 1er 4518 (pied "1") par la porte nor B. Le schéma est correct ..
Bonne chance naruto70 ..
La suite et fin :
Un 4518 (diviseur / 100) pour compter les centièmes + un autre 4518 (ici diviseur/60 par la porte "and" à 2 diodes 1N4148) + un dernier 4518 (diviseur/100) pour totaliser 100 mn. ainsi le comptage final est de 99mn 59s 99 ct
Les 2 schémas seront réunis par les points : +V, Clk, Reset et la masse.
Reste à ajouter les decodeurs Bcd/7 segment et les afficheurs ..
Comme tu le sais maintenant, le même montage peut être réalisé autrement (un seul CI programmable).
Pense donc à: M. Bigonoff et à alice, tu ne le regretterais peut être pas..![]()
Merci pour ces indications.
Je vais voir pour la programmation mais je ne sais pas du tout comment on fait. Si c'est trop compliquer, je ferai sans programmation
Encore Merci
J'ai regarder la programmation.
Je pense que je vais rester comme sa sans programmer.
J'ai tout compris dans les schémas . merci beaucoup mais dans le derniers le +Vcc et la masse à gauche ils ne sont relier à rien?
Je peut l'alimenter en 5 ou 6 V le circuit final?
Et pour finir le 4001 à une fréquence de combien?
merci
+V: de 5volts à 12volts (tu peux alimenter le circuit final par 5 ou 6 v tu as le choix)Je peut l'alimenter en 5 ou 6 V le circuit final?
La série 4000 (4001 et 4518 inclus) dépasse 5 Mhz.Et pour finir le 4001 à une fréquence de combien?
Un lien utile ici
Voilà c'est tout ..![]()
![]()
merci beaucoup
avec tout sa je pense pouvoir me débrouiller
Bonjour à tous
Je vien de réaliser le chronométre digital par rapport aux schémas,mais j'ai un probléme mon chrono démare correctement par star(je suis en secondes et minutes)mais il me bascule les minutes au bout de 40 secondes au lieu de 60 secondes,je n'arrive pas à comprendre pourquoi.Quelqu'un pourrait il me renseigner.Je vous remercie bien à l'avance.
A bientôt.
thecnopyro
Bonjour,Bonjour à tous
Je vien de réaliser le chronométre digital par rapport aux schémas,mais j'ai un probléme mon chrono démare correctement par star(je suis en secondes et minutes)mais il me bascule les minutes au bout de 40 secondes au lieu de 60 secondes,je n'arrive pas à comprendre pourquoi.Quelqu'un pourrait il me renseigner.Je vous remercie bien à l'avance.
A bientôt.
thecnopyro
Le mieux serait de mettre (en pièce jointe) le schéma complet du montage réalisé.
Salut à tous
Je vais tenter de joindre mon schéma de montage (sous wintypon)
En éspérant y arriver
A bientôt
thecnopyro
Re salut
Bon pour un autre essai
A bientôt
thecnopyro
En attendant la validation de la PJ, quel est le problème au juste:
1/ affichage 40 max. ou:
2/ afficheurs marquent 59, mais durant un temps t = 40s (au lieu de 60s)?
Salut maxitec
Je ne veut sur ce chrono,que les secondes et les minutes.
Daprés le schéma que j'ai joint,mon chrono démare à l'impultion star,au bout de 39 secondes il passe à une minute,il continu de fonctionner,puis toute les 39 secondes il affiche une minute de plus,en fait au lieu de compter une minute aprés 59 secondes,il le fait,mais au bout de 39 secondes j'éspére que mes explications sont recevables ou bien faut il un complément.
Je te remercie d'avance pour tes compétances.
A bientôt.
thecnopyro.
Salut,
le Pdf montre un typon, mais ce que j'ai voulu voir c'est le schéma electronique.
Pour revenir au message # 58:
Si le comptage arrive jusqu'à 59 (on peut lire 59 sur les 2 aff.), mais la durée n'est que de 39s, il suffit d'ajuster le condensateur variable (ici).
Sinon il faut vérifier (ici) si D1 est bonne ou s'il n'est pas câblé dans l'autre sens.
En fait la question est:
le comptage progresse -t-il jusqu’ à 59 puis revient à 00, ou revient à 00 juste après 39 (sans jamais dépasser 39) ?
