Compteur - Afficheurs 7 segments - Page 3
Répondre à la discussion
Page 3 sur 3 PremièrePremière 3
Affichage des résultats 61 à 69 sur 69

Compteur - Afficheurs 7 segments



  1. #61
    invite435c14af

    Re : Compteur - Afficheurs 7 segments


    ------

    Mon choix définitif c'est de prendre la bascule RS si je ne me trompe pas il n'y aura aucune notion de temps avec ca .
    Et oui je te laisse du temps tu en as fait deja beaucoup pour moi et je t'en remerci

    -----

  2. #62
    invitee86643f9

    Re : Compteur - Afficheurs 7 segments

    si je ne me trompe pas il n'y aura aucune notion de temps avec ca
    Exact.
    OK et à très Bientot ..

  3. #63
    invite435c14af

    Re : Compteur - Afficheurs 7 segments

    Je pourrait quand meme avoir une petite déscription de la bascule RS stp avant de nous quitter ?????? MERCI BEAUCOUP POUR TOUS

  4. #64
    invite435c14af

    Re : Compteur - Afficheurs 7 segments

    Sur le schéma je ne comprend pas vraiment comment cela se passe .
    En conclusion ce schéma me permettra t'il d'afficher la distance parcouru en temps reel par mon chariot de golf ? Ya aucun problème a signaler ?http://forums.futura-sciences.com/at...1&d=1179061639

  5. #65
    invite435c14af

    Re : Compteur - Afficheurs 7 segments

    Au secours !!!!!

  6. #66
    annjy

    Re : Compteur - Afficheurs 7 segments

    Bonsoir,
    un début d'explication.....
    à toi de continuer, et d'établir le diagramme des temps de ce schéma.

    A+
    JY
    Images attachées Images attachées  

  7. #67
    invitee86643f9

    Re : Compteur - Afficheurs 7 segments

    Bonsoir,
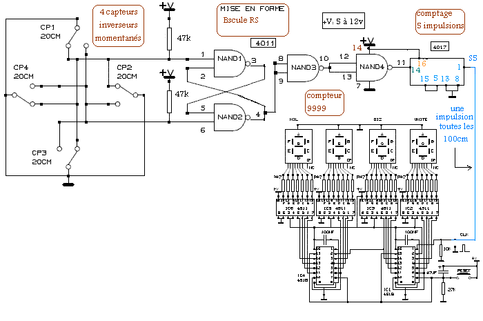
    Dans Le schéma plus haut les capteurs etant tous en // ils ne peuvent rien capter du tout c'est à rejeter! c'est même le genre de situation à eviter pour une bascule RS à nand !
    schéma à oublier
    La rectification est dans le schéma ci-joint (où on a plus besoin de capteurs inverseurs):
    Mise en forme par un monostable 555
    Mise en forme par bascule RS
    Tu peux choisir l'un ou l'autre il n'y a plus de grandes différences, à mon avis..
    Fichiers attachés Fichiers attachés

  8. #68
    invite435c14af

    Re : Compteur - Afficheurs 7 segments

    Bon j'ai choisi la bascule RS mais j'ai encore quelques petites questions a te posé sur le schéma: - les composants que tu as mis on tous des numeros d'entrée et de sorties et je voulais savoir quelle etai leur role , est ce qu'il y a un ordre a respecter??

  9. #69
    obi76

    Re : Compteur - Afficheurs 7 segments

    Citation Envoyé par italiano76 Voir le message
    Bon j'ai choisi la bascule RS mais j'ai encore quelques petites questions a te posé sur le schéma: - les composants que tu as mis on tous des numeros d'entrée et de sorties et je voulais savoir quelle etai leur role , est ce qu'il y a un ordre a respecter??
    Pour les entrées sorties, tu prends les datasheet et tu regarde si ça correspond (mais à priori c'est bon je lui fais confiance ^^)

Page 3 sur 3 PremièrePremière 3

Discussions similaires

  1. connection afficheurs 7 segments
    Par invite3d3793bd dans le forum Électronique
    Réponses: 9
    Dernier message: 24/11/2007, 15h35
  2. Afficheurs segments
    Par invite91183f95 dans le forum Électronique
    Réponses: 4
    Dernier message: 26/11/2006, 17h17
  3. Afficheurs 7 segments
    Par invitea3d69760 dans le forum Électronique
    Réponses: 12
    Dernier message: 09/06/2006, 09h25
  4. montage Decompteur à 3 afficheurs 7 segments
    Par invite16449cdd dans le forum Électronique
    Réponses: 16
    Dernier message: 13/02/2006, 20h13
  5. afficheurs 7 segments bleu !
    Par invite8e6b42f1 dans le forum Électronique
    Réponses: 5
    Dernier message: 12/01/2004, 19h55
Dans la rubrique Tech de Futura, découvrez nos comparatifs produits sur l'informatique et les technologies : imprimantes laser couleur, casques audio, chaises gamer...