potentiometre numerique MAX5160
Répondre à la discussion
Affichage des résultats 1 à 16 sur 16

potentiometre numerique MAX5160



  1. #1
    invite6616758d

    potentiometre numerique MAX5160


    ------

    Bonsoir à tous,

    comment utilise t on un potentiometre numerique en remplacemetn d'un potentiometre classique avec 3 bornes?


    merci

    -----

  2. #2
    Jack
    Modérateur

    Re : potentiometre numerique MAX5160

    Comme un potentiomètre normal à condition de respecter les tensions d'alim.

    Le MAX5160 est particulièrement simple à commander: à chaque impulsion, la résistance varie d'1/32ème (attention d'éliminer les rebonds si c'est commandé directement avec un bouton poussoir.

    A+

  3. #3
    invitee05a3fcc

    Re : potentiometre numerique MAX5160

    En regardant sa spécification
    http://www.datasheetcatalog.com/data.../MAX5160.shtml
    En en achetant un
    En faisant le montage (pour générer les signaux d'horloge et de Up/Down)

  4. #4
    invite6616758d

    Re : potentiometre numerique MAX5160

    bonosir

    merci pour les reponses rapides. je vais utiliser un bouton poussoir, donc c est moi qui manuellement vais generer les signaux d horloge?

    je vais voir comment faire pour eviter l'antirebond.

    merci

  5. A voir en vidéo sur Futura
  6. #5
    invitee05a3fcc

    Re : potentiometre numerique MAX5160

    Il faut deux signaux :
    1/ U/D pour le sens
    2/ INC pour le changement
    Pour les anti-rebonds, y a tout sur google .....

  7. #6
    invite6616758d

    Re : potentiometre numerique MAX5160

    bonsoir,

    pour l'antirebonds je pense que je vais utiliser un trigger de schmitt.

    il me faut donc deux boutons poussoirs? un bouton poussoir pour le CS, un autre pour l'increment.

    pour l'incrément, c'est une mise au + qui va faire mes impulsions?

    merci

  8. #7
    invitee05a3fcc

    Re : potentiometre numerique MAX5160

    Voir la spécification et ton schéma anti-rebond

  9. #8
    invite6616758d

    Re : potentiometre numerique MAX5160

    bonsoir

    pour le schema antirebonds j ai trouve celui-ci

    http://forums.futura-sciences.com/at...6&d=1140093870


    sur la doc technique, je peux mettre /INC à la masse, /CS à la masse, et un bouton poussoir pour mettre UP avec resistance de tirage au +, un bouton poussoir pour /DOWN, résistance de tirage à la masse.

    ainsi je peux avoir une résistance variable en H et L?

    merci

  10. #9
    invitee05a3fcc

    Re : potentiometre numerique MAX5160

    Tes deux schéma d'anti rebond sont bons (met une résistance de 100 ohms en série avec le bouton poussoir). La sortie du montage sur U/D (et un autre identique pour INC)

    Pour faire un montage avec un bouton UP et un bouton DOWN, c'est un peu plus compliqué. Je te laisse chercher

  11. #10
    invitee05a3fcc

    Re : potentiometre numerique MAX5160

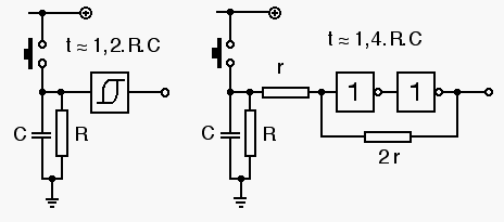
    Un cadeau du soir .........
    Images attachées Images attachées  

  12. #11
    invitee05a3fcc

    Re : potentiometre numerique MAX5160

    A la réflexion, si tu as des problèmes de comptage tu peux passer les 0,1µF à 1 ou 2,2µF

  13. #12
    invite6616758d

    Re : potentiometre numerique MAX5160

    bonsoir et merci pour ce petit cadeau. mais vous avez raison, la prochaine fois il faudra que je cherche par moi même, c'est plus formateur. mais j apprends beaucoup dans ce forum. je vais me commander ces composants et faire le test. merci encore

  14. #13
    invite6d6ec8cb

    Re : potentiometre numerique MAX5160

    le lien une discussion du 29/01/2008 22h37 sur les potentiomètres numériques ??

  15. #14
    invitee05a3fcc

    Re : potentiometre numerique MAX5160

    Message reçu par M.P.
    Citation Envoyé par ulyssemars
    J'ai besoin de réaliser un potentiomètre numérique comme celui du schéma que vous aviez donné avec un MAX5160 et un 74HC132 sur le forum futura sciences.
    mais comment faire pour que l'incrémentation se fasse avec un appui prolongé sur up ou la décrémentation avec un appui prolongé sur down
    Le mieux, utiliser un microcalculateur ..... sinon, il faut rajouter de la quincaillerie .

  16. #15
    invite6d6ec8cb

    Re : potentiometre numerique MAX5160

    sans aide je ne vais pas y arriver..

  17. #16
    invitee05a3fcc

    Re : potentiometre numerique MAX5160

    Tu peux programmer un microcalculateur (ou un copain ou une copine ?)

Discussions similaires

  1. Comment utiliser un potentiomètre numérique?
    Par invite3f829e4b dans le forum Électronique
    Réponses: 14
    Dernier message: 15/03/2008, 15h49
  2. potentiometre numérique + LM317
    Par invite1ec12035 dans le forum Électronique
    Réponses: 4
    Dernier message: 05/07/2007, 11h38
  3. Potentiomètre électronique (ou numérique)
    Par invitea88e6ae4 dans le forum Électronique
    Réponses: 3
    Dernier message: 11/12/2006, 00h51
  4. Potentiomètre numérique avec un hef4017
    Par invite13111c20 dans le forum Électronique
    Réponses: 5
    Dernier message: 30/11/2006, 10h36
  5. Où se procurer un potentiomètre numérique?
    Par invite3f829e4b dans le forum Électronique
    Réponses: 2
    Dernier message: 20/04/2006, 21h03
Dans la rubrique Tech de Futura, découvrez nos comparatifs produits sur l'informatique et les technologies : imprimantes laser couleur, casques audio, chaises gamer...