Bonjour a tous, j'ai un petit probleme, j'ai etudié et testé sur platine un comparateur non-inverseur à 2 seuils, mais ca ne marche pas. Je pense que c'est ma partie téhorique le probleme.
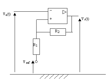
Voici le schema de montage:
http://forums.futura-sciences.com/at...1&d=1210971836
Le montage ainsi que l'ADI son entierement alimenté en 0v/5v.
L'adi est un LM324.
Ma tension de reference Vref est de 2.5v obtenue par un pont diviseur de tension sur 2 resistances de 330 ohms.
Ma tension Ve(t) est variable car elle est obtenue par un pont diviseur de tension sur 1 resistance de 820 kohms et une thermistance de 1 kohms.
La tension Ve(t) produite est de 2.61 volts à 28° et de 2.49 volts a 25°.
Après de nombreux calculs j'ai determiné R1= 10 kohms et R2= 470 kohms.
Resumons:
-ADI LM324 alimenté en 0/5v
-R1= 10 kohms
-R2= 470 kohms
-Vref= 2.5 v
-Ve(t)= 2.61 v à 28°
= 2.49 v à 25°
Le but du montage est d'avoir 5v en sortie de l'adi lorsque la temperature passe au dessu de 28° et d'avoir 0v en sortie lorsque la temperature redescend sous 25°.
Quelqu'un peut-il confirmer les valeurs de R1 et R2 ? Le montage marche-t-il ? que faut-il changer ?
PS: en pratique le montage ne réagit pas du tout et je ne trouve pas la cause.
et merci d'avance.
-----



et merci d'avance.
