lol encore fait le boulet^^
je ne suis pas excusable et je pourrai sortir l'excuse bidon de l'inatention mais je préfère dire que maintenant j'ai capter.
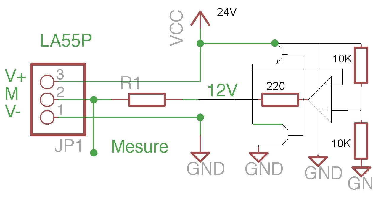
Aucune idée. Parce que j'ai toujours brancher les AOP en +15 -15 parce qu'on m'a toujours dit de faire comme ça sans explications malheureusement.
Je pense que la question est résolue, mais je posterai ici plutôt que de réouvrir un nouveau topic si je rencontre des problèmes lors de la réalisation.
Merci pour l'aide Daudet78.
-----



