bonjour tout le monde!
Je veux realiser unz horloge tres precise en utulisant un signal d'horloge precis. Avez vous un montage pratique et efficace?
Merci!
-----

bonjour tout le monde!
Je veux realiser unz horloge tres precise en utulisant un signal d'horloge precis. Avez vous un montage pratique et efficace?
Merci!
bonjour,
un petit coup de google
http://www.sonelec-musique.com/elect...temps_001.html
cordialement
alain
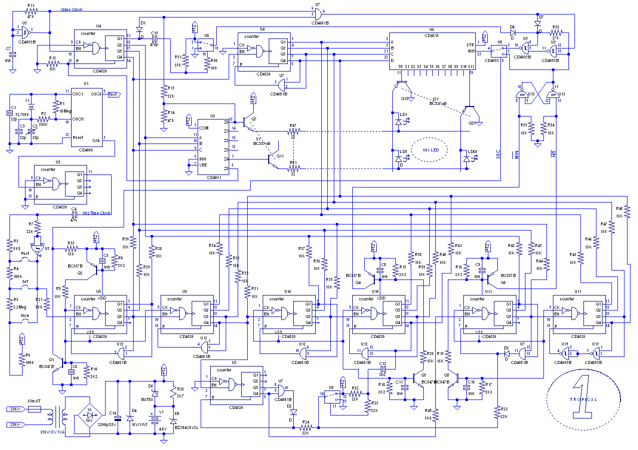
S'il te faut un signal vraiment stable et précis, il vaut mieux soigner un peu plus la partie oscillateur: il y a un exemple dans ce projet:
http://forums.futura-sciences.com/at...opicaloneoegif
Les quartz horlogers ont besoin d'être chargés par une capacité allant de ~7.5 à ~25pF, selon le modèle.
Il y a aussi des quartz de fréquences plus élevées en puissances de 2, et des diviseurs adaptés, avec plus d'étages. De mémoire 4521, 4536, 4541 entre autres.
Pas de complexes: je suis comme toi. Juste mieux.
si c'est du 1Hz "horloger", seule solution: quartz 32.768K horloger avec son diviseur par 32768 (un compteur 40xx suffira amplement...)
bonjour alain!
j'ai deja vu ce montage sur le site mais je n'ai pas pus le realisé car je n'ai pas trouvé le Quartz 32,768 . avez vous pas un autre lien?
Merci!
Bonjour tropique!S'il te faut un signal vraiment stable et précis, il vaut mieux soigner un peu plus la partie oscillateur: il y a un exemple dans ce projet:
http://forums.futura-sciences.com/at...opicaloneoegif
Les quartz horlogers ont besoin d'être chargés par une capacité allant de ~7.5 à ~25pF, selon le modèle.
Il y a aussi des quartz de fréquences plus élevées en puissances de 2, et des diviseurs adaptés, avec plus d'étages. De mémoire 4521, 4536, 4541 entre autres.
l'horloge que j'ai realisé est assez compliqué donc je cherche a simplifier les choses.
merci tropique!
s'il ya un montage simple avec un NE555 generateur d'implusion 1Hz et un potentiometre assurant une toute petite modification si l'horloge est un peu en avance ou en retard de quelques µS , sa sera vraiment sympa!
badr tu es dans quel pays pour que tu ne puisse pas te fournir en quartz 37.768 ou meme en pic 20mhz...
En tout cas tu ne fais pas dans la dentelle... Vouloir du precis horloger avec un NE555. Tu y crois vraiment toi...
Bon courage...
je suis marocain. pour l'horloge si je ne trouve pas d'autres solutions , je n'ai qu'a demander l'aide du vieux NE555 . je sais qu'il va pas me donner un signal 1hz au premier coup! mais en faisant des test et des modification avec le potentiometre, je suis sur j'obtiendrai a la fin un signal de 1hz.et si vous avez de meilleurs solutions, elles seront les bienvenus!
tu utilises tes doigts pour chercher un distributeur de composants dans ton pays, et tu trouveras ton quartz disponible. On va quand meme pas aussi faire ca pour toi?
allez c'est dispo ici et livrable dans beaucoup de pays: http://www.conrad.fr/quartz_pour_app...887_218154_FAS
Un quartz 32.768, ça se trouve dans les montres jouets et des tas d'autres choses: sonnettes sans fil etc.
Ce ne sont pas les meilleurs, mais c'est mieux que rien.
Si tu as accès au secteur, il suffit de diviser la fréquence par 50. A court terme, c'est moins bien qu'un quartz, mais à long terme, c'est très bon.
Pas de complexes: je suis comme toi. Juste mieux.
on peut meme utiliser un DS1307 avec le quartz 32.768KHz qui permet sur le PIC en rajoutant un LCD d'afficher la date et l'heure...
Mais bon si on peut meme pas trouver un simple quartz, alors le DS1307... pas rendu...
je possede ce quartz http://www.settorezero.com/wordpress...arzo_32768.jpg mais n'y rien ecrit dedant: ni frequence ni rien du tout! puis-je l'utiliser?
Lien pourri... eh ben....
dis tu as des oursins dans les poches que tu ne veux pas acheter le materiel pour bricoler??? ou tu habite le troudukustan???
NN franck j'attend la fin du mois j'aurai du budjet pour acheter tout ce qui me monque au niveau de la preparation materielle electronique
Alors sachant que tu vas avoir de quoi acheter le quartz et le PIC, et aussi d'autres trucs? pourquoi tu cherche d'autres manieres pour faire la meme chose?
