bonjour,
quand je branche un 16F877a sur Labdec il me donne une chute de tension d 5V à 1.5 ??
alors qu'il est en plein santé il se programme correctement, s'efface... mais au niveau de fonctionnement y'a rien du tout![]()
des idées ??![]()
-----

bonjour,
quand je branche un 16F877a sur Labdec il me donne une chute de tension d 5V à 1.5 ??
alors qu'il est en plein santé il se programme correctement, s'efface... mais au niveau de fonctionnement y'a rien du tout![]()
des idées ??![]()
Bonjour!
Que voulez-vous dire par "il me donne une chute de tension"?
La tension de l'alim chute à 1,5V?
Pascal
Bjr à toi,
Ben c'est qu'il y a un hic (erreur de cablage) dans ce que COMMANDE ton pic.
C'est peut etre pas lui qui est en cause ,mais le reste du montage ?
On peut voir le SCHEMA et la...REALISATION ?
Bon WE
bonjour, et merci a tous
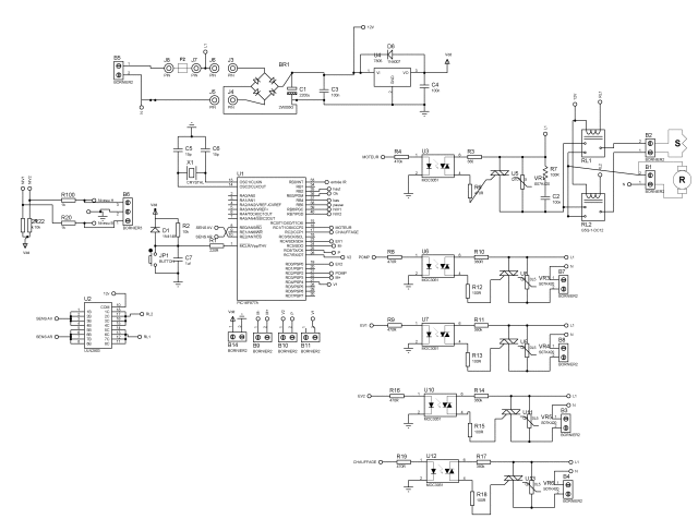
pour le schéma c'est une carte de commande d'une lave linge par infra-rouge.
la réalisation est fonctionnelle y'a plus d'erreur puisque j'ai fait un teste depuis 4 jours avec un autre PIC de même référence
pour la partie alimentation j'ai utiliser un simple 7805. quand j fais les mesure je vois bien une 5V. mais lorsque je branche mon pic au support la tension descend a 1.5 ( j'ai décidé d'utiliser un pic grillé pour vérifier si le défaut existe au niveau de la carte ) alors j'ai trouvé que la tension reste à 5V ??
Et quand tu mesures 1,5V en sortie du 7805, il y a quelle tension en entrée ? Il y a des condensateurs de découplage en entrée et en sortie ?
PS : j'ai rien pigé de tes manips avec un PIC grillé ou rôti .......
j'ai essayé de poser mon schéma maiis sans succès (taille grand).
pour le pic grillé j'ai voulu savoir sii la chute d tension est causée par mon pic ou bien par le montage .
pour la partie alimentation je vais faire une image
http://forums.futura-sciences.com/at...1&d=1385223878
j'ai pas pu mettre l'image dans un commenter.
C1 fait quelle valeur (illisible) ?
Le transfo qui alimente le pont fait quelle tension ? Quelle puissance?
Transfo 24V ?????? tu sorts, a vide,33V DC sur ton 2200µF ! Ce qui est beaucoup trop pour ton 7805 ........ le pôvre .
Et avec 2,8VA, tu ne peux sortir que 100mA DC au maximum . Ce qui peut expliquer le manque de tonus de ton 5V .
Tu le remplaces, vite fait, par un transfo 9VAC 10VA !
Probablement ! Sur le condensateur tu as environ 13V DC . Ils consomment combien tes relais ?
des relais 12V out (230V/10A)
tu peux me dire comment je devrais faire pour le calculé ?
il est écrit 833H-1C-C c'est la valeur du bobine n'es pas
je suis un débutant en électronique, et que notre lave linge a perdue sa carte de commande, alors j'ai décidé de réaliser une petite carte. mais en réaliter je suis pas assez compétent pour faire toute les calcule,donc je me suis basé sur des schéma trouver sur net sans savoir...
un ULN2003 commander par un 16F877aC'est qui qui commande ces relais ?
et pour la résistance c'est 100R
Donc 120mA par relais
Si on fait le bilan :
- 12V 2 fois 120mA relais
- 5V ??? mA pour le µC
- 5V 5 fois 10mA pour les MOC
Donc , grosso modo, il faut du 12V capable de sortir un peu plus de 240+???+50= disons 500mA . Donc avec un 9V AC 10VA, j'étais pas trop loin de la vérité
j vous remerciiie pour la démonstration
juste une autre question un transfo de 9V AC ==> input 220v; output 9V !
les 0.6 pour les 2 diode passante mais "1.4142" c'est une constante ?
Oui .... c'est la racine "2".
Va falloir revoir quelques bases sur les redresseurs !
Un bon tuto : http://www.sonelec-musique.com/elect...entations.html
mercii daudet78 (y)
bjr, juste une question:
j'ai 2 relais de 12V a commander par cette alim, alors qu'avec ce transfo j'aurais que 8V?? ( insuffisant n'es pas! )
