Bonjour à tous,
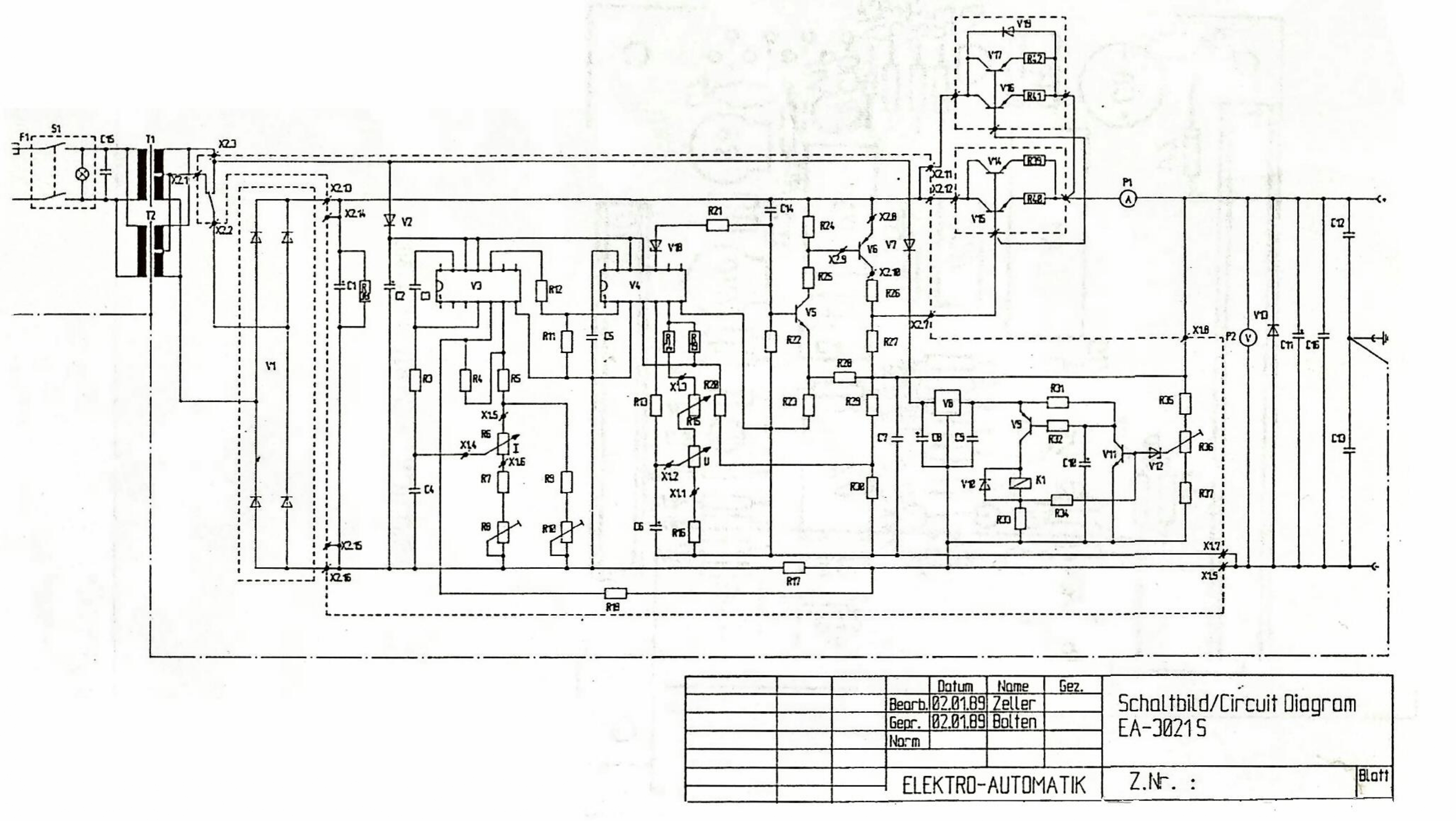
je dispose du schéma ci-joint qui n'est pas très lisible à mon goût.
Il montre en outre la présence de 2 régulateurs (LM723) alors que mon alim n'en possède qu'un.
C'est pourtant la même référence d'alimentation.
Auriez-vous mieux à me proposer.
Cordialement.
-----



