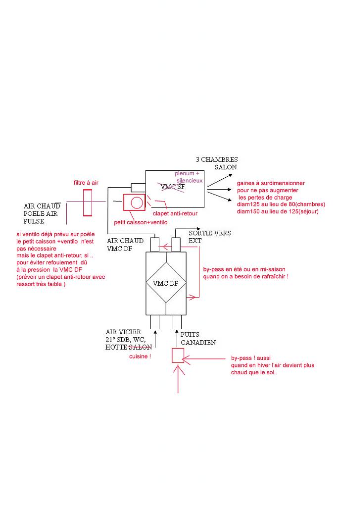
Bonjour,
Voila apres avoir lu pas mal de sujet et pour me mettre les idées au clair je me suis fait un petit schema en attendant votre validation.
Ce que je souhaite:
Chauffé avec mon poele a bois a air pulsé le salon et repartir la chaleur dans tout la maison
si le schema est bon je ferai un systeme de regulation dans les chambre avec ouverture et fermeture des trappes ou activation ou non de ventilo
alors ai je bien tout compris?
or
![]()
-----




or





