Bonjour,
Un membre de ma famille à son banc de scie quie st tombé en panne. Au vue du peu de composant, je me suis dit pourquoi pas le réparer.
Le banc de scie c'est visiblement arreté soudainement pendant utilisation. La personn à donc pensé qu'il c'etait mis en sécurité pour surchauffe car ca lui avait déja fais de temps en temps. Mais il n'a finalement jamais redemarré.
Ce que je peux vous founir comme information:
Moteur:
IMG_20250713_120524.jpgIMG_20250713_122128.jpg
IMG_20250713_123459.jpg
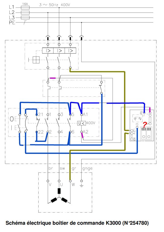
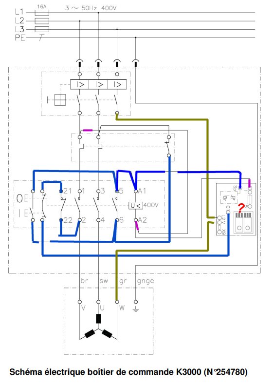
Pour la partie alimentation/électronique
IMG_20251020_175633.jpgIMG_20250713_121409.jpg
J'ai tenté de contacter Klibo pour avoir des information sur les mesures de tension à obtenir en sortie du boitier et si jamais ils avaient une référence équivalente pour le remplacer mais je n'ai eu aucune réponse.
J'ai vérifié que ce ne soit pas simplement les sécurité "thermique" et fermeture du capot qui bloque mais tout semble OK.
Mesure du condo OK.
Pouvez vous me dire quels tensions je doit obtenir en sortie du boitier ?
Si j'ai bien compris, il est possible de câbler le moteur directement en 220V mono pour simplement le tester.
Je n'ai actuellement chez moi que le boitier klibo, le moteur étant resté chez le propriétaire du banc.
Merci
-----


....tes couleurs de fils ne sont pas evidentes sur les photos !




