Bonjour à tout.e.s
Je me suis décidé à me lancer dans la réparation d'un ampli à lampe, comme ça ! Faut bien commencer par quelque part, et si ça marche pas, au pire j'aurai appris des choses au passage. Mais évidemment, je ne peux le faire sans aide, donc si vous avez des idées d'investigations, je suis preneur. Et même si vous n'avez pas d'idée, j'ai rien contre discuter![]()
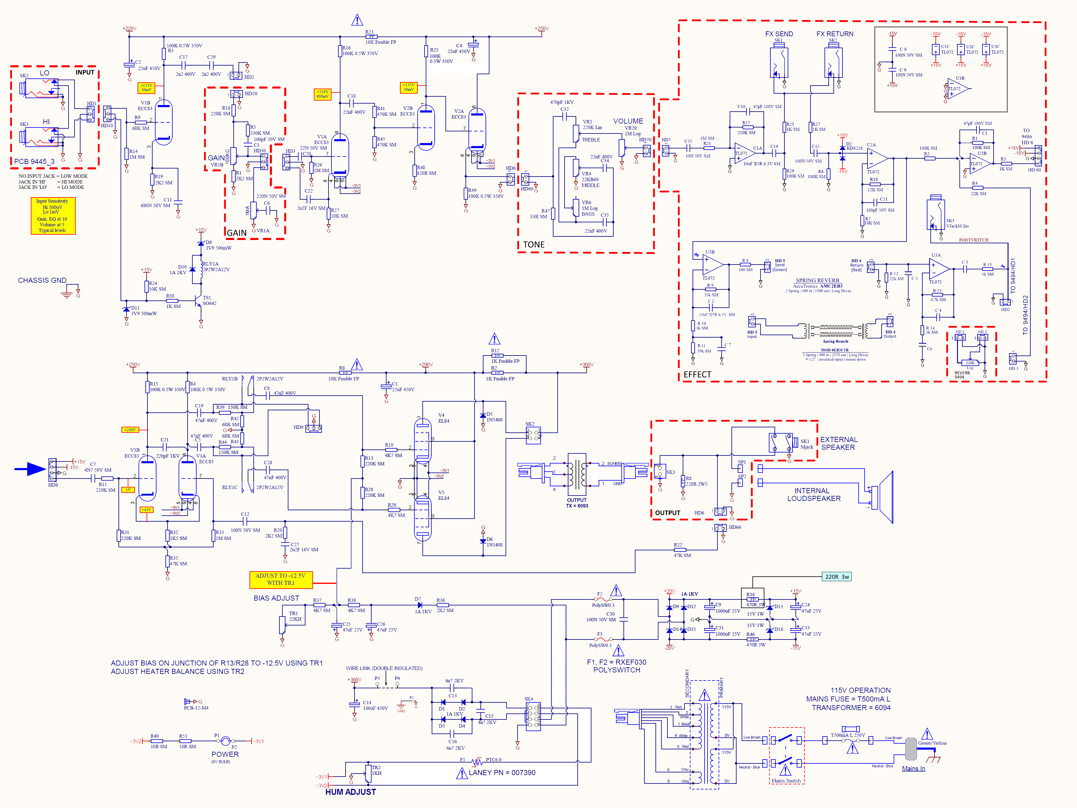
Il s'agit d'un ampli à lampe Harley Benton TUBE 15. Bizarrement, il s'est mis à faire des sons très étranges que vous pourrez entendre ici Buzz.MP3
Alors au début, vous entendrez un clac, c'est moi qui bascule le bouton d'alimentation (pas grand chose à dire là-dessus à part le fait que vous ne pourrez éviter de remarquer un certain talent dans le basculement de bouton d'alim), puis 30 secondes passent sans que rien ne se passe, puis des craquements apparaissent. Comme vous l'entendrez, c'est assez aléatoire comme son, il s'arrête puis reprend, est plus ou moins fort ... Tout cela se passe sans que je ne branche quoi que ce soit en Input (mais ça change rien même si je branche un jack), tous les potentiomètres sont à 0 (mais ça ne change rien même si je les bidouille). Seule chose, les craquements semblent sensiblement plus importants si on tape (légèrement bien sûr) sur l'ampli (ce que je fais à la fin de mon enregistrement), et peu importe qu'on tape sur les parties en bois ou en métal (je me suis posé la question d'un problème de masse).
Que dire d'autre ? Les lampes s'allument bien (même s'il me semble avoir vu que ce n'était pas forcément un critère de bon fonctionnement). J'ai aussi tout démonté et tout remonté (technique qui fonctionne des fois, si si !), mais là ça n'a rien changé.
Voilà, j'espère avoir donné assez d'élément, sinon, je suis à l'écoute, et s'il faut rajouter des photos, pas de souci.
Enfin, un immense merci d'avance pour celles et ceux qui auront eu la patience de lire jusqu'ici !
A bientôt j'espère, et bonnes vacances aux chanceux![]()
-----







)