Bonjour, en remplaçant l’IGBT SCM1242MF j’ai perdu 2 composants le CO et le RO qui sont branchés sur le PIN2 OCP1 et PIN10 OCP2 et PIN 18OCP3, je n’ai donc pas leurs valeurs ? fig 9-2.
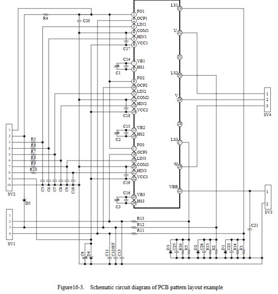
Sur la fig 16-3 il y un 6 composants qui sont branchés à l’identique sur les PIN 2 ;10 ; 18 : C11, C12/RT, C13 et R11, R12, R13. J’ai retrouvé leurs valeurs : les C ce sont des Céramic 0,01 microF 50V et pour les R Général 100ohms 1/8W. Peut-on supposé que CO et RO ont ces mêmes valeurs ?
Merci pour vos retours. Cordialement
Fig 9.2.JPGFig 16.3.JPGValeurs C et R.JPG
-----

