
Non, c'est tout à fait normal ! C'est la première chose à essayer de comprendre, les surtensions lors des commutations à flancs raides sur une inductance.Salut à tous .
Biname phrase suivante , pose une question aux matheux et physiciens , inutile de dire que c'est Spice qui me.de , c'est pas une explication ...à mon avis .
Exercice : pourquoi la tension sur le condensateur d'alimentation monte-elle au delà de Vcrête secteur ?
Aplus Jacounet .
Salut Biname .
Je viens de simuler sous Spice de Isis , LT Spice je n'y arrive pas , pas encore familiarisé .
J'ai essayé avec un seul MOS en commutation , 210V en alim continue , 10mH au primaire , 0.3µh au secondaire , en faisant varier la largeur d'impulsion de la commande de 10à 60% , on fait varier la puissance de 320 Watts à 3200 Watts ( théoriques évidemment ).
Evidemment , on a la tension aux bornes du transfo. qui dépasse la tension d'alim. , dû au d Phi/ dt , ...je sais je déc..nne souvent ...mais l'humour sur la toile dûr à repérer ....
Reste à savoir si le MOS chaufferait , et si le transfo. ne polarise pas , avec des pains entre 0 et 250Volts , pas de tension négative engendrée , donc peut-être bobo au transfo ....
Les flancs du courant au primaire sont bien raides , donc probablement pas d'échauffement , les flans de la tension primaire sont un peu inclinés , mais c'est probablement dû à la gonflette du moins dPhi/dt , ...
Mais c'est à vérifier par la pratique .
Si un seul Mos peut faire l'affaire , c'est le panard ....!
A plus Jacounet .
Salut,
Coupable d'avoir ruiné le schéma de Jacounet en positionnant mal cette capa de 470µF ... je me rachète
Le schéma :
JacouSchema2.jpg
Courant et tension primaire à vide (secondaire ouvert)
TracesLTSpiceSecOuvert2.jpg
Secondaire chargé 500µOhms
TracesLTSpiceCharge2.jpg
Courant dans une diode redresseuse de l'alimentation
Secondaire ouvert
TraceDiodeAlimSecOuvert2.jpg
Secondaire chargé
TraceDiodeAlimSecOuvert2.jpg
Remarques :
- le modèle ne connait pas la saturation
- 70A maxi au primaire
- 6600 watts sur la charge
- la tension d'alimentation tombe de 310 à 60V (ripple)
- ?????? réaliste ??????
Suggestion :
- comparer la forme des courants alimentant les mosfets à vide et à charge
- constater que ce courant s'inverse au micro ampère près lors de la commutation des mosfets
- ...
Bina
Dernière modification par Biname ; 29/10/2013 à 13h36.
Correction : diode d'alimentation Secondaire charge
![]()
Salut Biname .
Je t'envoie mes simus , j'ai testé avec une résistance de 100,300,500 µOhms en charge au secondaire correspondant à peu près à la résistance tôle en début , au milieu et en fin de soudure , avec une largeur d'impulsion allant de 50 à 10 % de T , 60 points de mesures des I et U efficaces primaire et secondaires.
Je n'utilise qu'un seul transistor en commutation sur le primaire , inconvénient on polarise les tôles dans un seul sens au primaire ( à vide ) , mais vu que le transfo est en charge on doit probablement polariser dans l'autre sens les tôles via le secondaire et la mutuelle induction ...enfin je pense .==>Si quelqu'un peut me contredire , merci .
J'envoie des photos de mes travaux zerculéens .
AplusJacounet.
.
Salut à tous .
Comme convenu une photo ...pas belle comme d'hab .
M'enfin l'essentiel y est .
Jacounet .![]()
Biname :
, tu peux mettre une capa de filtrage de 4700 µF sur ton alim +310 Volts , car c'est ce que j'ai sur mon montage , jean-Marie a même 5600µF.
On ne peut guère descendre en dessous de 4700µF si on veut sortir la subtentifique moelle de nos transfo de micro-onde .
Enfin c'est une suggestion ...vu verras moins les gri-gri de la ronflette 50 Hz te faire de la modulation sur tes signaux .
Jacounet .
Salut Biname .
J'ai vérifié sous Spice de Isis , tout celà semble vrai ( sous Spice évidemment) avec une alim de 310 V.
Remarques :
- le modèle ne connait pas la saturation
- 70A maxi au primaire
- 6600 watts sur la charge
- la tension d'alimentation tombe de 310 à 60V (ripple)
- ?????? réaliste ??????
Suggestion :
- comparer la forme des courants alimentant les mosfets à vide et à charge
- constater que ce courant s'inverse au micro ampère près lors de la commutation des mosfets
J'envoie mes tableaux de mesure , avec l'allure de l'énergie fournie au secondaire , compter la moitié pour la soudure , et la moitié dégagée dans Z complexe secondaire .
Merci de vos commentaires/corrections/suggestions.
AplusJacounet.
Faut du temps pour répondre à tout ça !
Tu es à, mon avis, optimiste sur tout et moi pessimiste sur tout !
J'aimerai :
- tester la surtension sur ton primaire 'en bas' lorsque le mosfet cesse de conduire
- comparer les résultats MSG423 et 424 en utilisant le modèle CHAN qui tient compte de la saturation
- lire une doc sur le modèle Chan
- lire un peu la doc LTSpice
- mais j'ai pas le temps
- 4700µF, oui ! J'ai testé, voir mes tableaux d'il y a ?20 jours?. Le problème avec 4700µF est que les courants dans les diodes redresseuses de l'alimentation sont encore plus importants qu'avec 470µF : 420A et 240A ! P = 8.8 kW... beaucoup beaucoup trop !
Bina
Dernière modification par Biname ; 30/10/2013 à 12h36.
Salut Biname .
Oui mais il y-a 20 jours tu étais toujours sur le modèle Chan sans condensateurs et tes MOS te boullotaient allègrement 120 Ampères , on est descendu bien en dessous avec les 2 capas 470 µF.
Question : un pont de diode 50 Ampères 400V passe 50A efficaces ou pic ...? A mon avis c'est 50 A efficaces , donc beaucoup plus en pic , mais c'est à vérifier ...
On devrait pas dépasser les 20 Ampères efficaces ( 60 A pics sur 2.5 ms ) avec les 2 capas 470 µF , soit 4.6 kW efficaces consommés par l'alim. pour 2.5 à 3.5 kW restitués au secondaire suivant rendement .
Les pics de 240A que tu as en courant durent moins de 5 ms , les 2.5 ms du 400 Hz , faut voir si les caractéristiques d'un pont 50 A les tiennent .
Question tu as ces 240 A uniquement en charge ...je suppose . Regarde bien aussi le courant dans tes MOS ( en vert sur ton graphique), il y-a des pics de 0 à 60A,sur la ligne des -60A il y-a les triangles de courant , mais ils ne sont pas à cheval de part et d'autre du 0 Volt , d'où une saturation supposée.
Donc regarde peut-être maintenant avec les condos ...si on consomme moins ... et si le courant triangulaire dans les MOS est bien symètrique par raport au zéro Volt , même avec le modèle CHAN est .Enfin si tu veux .
Pour le bilan énergétique en regardant les graphiques , on devrait avoir les mêmes surfaces en puissance en entrée et en sortie au coefficient du rendement près .
Je vais tester ton modèle Chan avec condos 470 µF de part et d'autre du transfo; , et avec 4700µF de filtrage alim .
AplusJacounet.
salut Biname .
Je viens de simuler le modèle Chan ,que tu m'as envoyé ,sous LT Spice .
Sans les deux capas 470 µF en série avec le transfo , j'ai mis une self de 20 mH en série avec l'alim 300 V 50 Hz , il ne subsiste plus qu'un pain de 50 ms à 85 A sur 2 diodes , et le reste du temps des pulses 50 Hz à 15 A , plus de pics .
Les MOS ont des pics à 50 A avec la charge que tu me donnais .
Voilou .
Est-ce que ça a amélioré les choses ?...
AplusJacounet .
Salut tout le monde,
ça y est, aujourd'hui j'ai enfin trouvé un moment pour mettre en route mon hacheur. J'en ai profité pour remplacer les MOSFET par des IGBT 600 V 80 A, montés sur un radiateur.
http://forums.futura-sciences.com/at...1&d=1386577266
J'ai commencé les essais avec des résistances comme charge, en augmentant progressivement le nombre de résistances en parallèle, jusqu'à un total de 8 résistances 500 Ohms de 200 W, c'est tout ce que j'ai!
http://forums.futura-sciences.com/im...attach/gif.gif
On arrive donc à une résistance totale de 500/8= 62,5 ohms.
La tension d'alimentation est de 300 V continue.
La puissance dissipée totale devrait donc être de 1440 W.
Le courant devrait atteindre 4,8 Ampères.
http://forums.futura-sciences.com/im...attach/gif.gif
On n'y arrive pas tout-à-fait, seulement 4,24 A parce qu'on a un peu de ripple à ces puissances, avec le condensateur de filtrage de 500 uF seulement, mais ce n'est pas grave.http://forums.futura-sciences.com/im...attach/gif.gif
Et puis aussi, il faudra que je songe à utiliser du câble plus épais pour connecter l'ampèremètre!!![]()
C'est la première fois que je monte à 1440 W. Avant, je n'étais pas allé jusque-là parce que les MOSFET n'étaient pas montés sur radiateur et commençaient à chauffer un peu.
Un point important est de vérifier la température des composants lorsque l'on traite des puissances de ce niveau. Comme les composants sont sous haute tension (300 V), on ne peut pas simplement poser la main dessus pour sentir s'ils chauffent! Pour effectuer ces observations, j'utilise un thermomètre laser.
http://forums.futura-sciences.com/im...attach/gif.gif
Amicalement,
Yvan
Les composants à observer en priorité sont bien entendu les semi-conducteurs:
http://forums.futura-sciences.com/im...attach/gif.gif
Pour une température ambiante de 17 degrés, les IGBT ne dépassent pas 24 degrés. Je les envie. Ils sont capables de garder leur sang-froid, même sous tension!![]()
Les autres composants ne chauffent pas, sauf le pont redresseur. Eh oui, il ne faut pas oublier de le contrôler, lui aussi, même si c'est un 50A!
C'est pour cela que je lui ai ajouté un radiateur. Voir la photo ci-dessus. Il s'agit de quelques plaque d'alu que j'avais utilisées comme radiateurs pour les MOSFET lors de la toute première version du hacheur il y a quelques mois. Rien ne se perd, rien ne se crée, tout se recycle (Lavoisier éco). Avec ces 4 plaques boulonnées au pont redresseur, sa température ne dépasse pas 40 degrés.
La seule chose qui chauffe bien, c'est les résistances:
http://forums.futura-sciences.com/im...attach/gif.gif
Noter le point rouge du laser sur le corps de la résistance.
A part ça, j'ai aussi construit un petit dispositif permettant une mise sous tension en deux temps: il s'agit tout simplement d'une ampoule 60 W, court-circuitée par un interrupteur.
http://forums.futura-sciences.com/im...attach/gif.gif
La suite des événements serait de monter à 2000 W en ajoutant encore de la charge résistive. Mais comme je n'ai plus de résistances 200 W, je vais voir ce que je peux trouver. Ajouter en parallèle un vieux fer à repasser? Un radiateur d'appoint?
Et on va voir aussi combien on a de ripple. Sur la photo de l'écran de l'oscilloscope ci-dessus, on voit que le ripple est de l'ordre de 15-20% lorsque la puissance est de l'ordre de 1400 W. Ce n'est pas énorme, et on n'a que 500 uF de capacité de filtrage. Il ne semble pas essentiel de l'augmenter de beaucoup.
Ensuite, il va s'agir de voir ce qui se passe lorsque l'on envoie la haute tension d'un coup, lorsque le hachage (je veux parler de la commande des IGBT) est en route ou bien si on connecte d'abord la haute tension seule, sans hachage et qu'on démarre le hachage ensuite.En effet, dans chacune de ces deux situations, j'ai eu un flash.
Or si on veut faire de la soudure par points, il faudra bien trouver un moyen d'envoyer et de couper la gomme, sans avoir à se coltiner un Variac de 10 Kg sous le bras!ça, c'est vraiment le point le plus important, à solutionner en priorité.
Pour cela, je vais utiliser Audacity et réaliser ces deux manoeuvres, mais avec une haute tension réduite. Et voir ce qu'il se produit: Surintensités? surtensions? et où? en quel point du circuit?
Une fois que tous ces essais avec charge résistive auront porté leurs fruits, il sera temps d'utiliser un transfo comme charge utile.
En attendant l'arrivée de l'oscillo USB, je vais tâcher de réaliser un petit circuit avec des optocoupleurs, qui permettra une séparation galvanique complète entre l'appareillage de mesure et le circuit à tester.
Amicalement,
Yvan
Alors voilà la suite des essais du hacheur à IGBT sur charge résistive.
Pour augmenter la charge, j'ai branché en parallèle avec les résistances...un fer à repasser!
http://forums.futura-sciences.com/at...1&d=1386680905
Un système D bien de chez nous!
Voilà ce que ça donne au niveau du courant:
http://forums.futura-sciences.com/at...1&d=1386680905
Je n'avais encore jamais atteint un tel courant avec le hacheur.Champagne!
Et voilà ce que ça donne au niveau du ripple:
http://forums.futura-sciences.com/at...1&d=1386680905
environ 34 %, un tiers.
Je n'ai pas laissé la gomme assez longtemps pour mesurer les températures des composants, de peur d'endommager le fer à repasser, qui est prévu pour 220 V, pas 300!
Bon en fait, la valeur moyenne doit se trouver vers les 273 V, mais quand même!
273 V x 8,3 A =2266 W
La valeur de puissance visée est ainsi atteinte, je vais en rester là pour le moment et commencer la mise au point de l'interface à optocoupleurs.
Dans l'intervalle, si l'un d'entre vous se sent l'envie de dupliquer le circuit du hacheur, je lui prodigue volontiers mes conseils.
Bonne soirée.
Amicalement,
Yvan
Bonsoir tout le monde,
Grâce à mon nouvel oscilloscope USB à vingt balles, (voir fil qui lui est consacré) il a été possible d'observer que l'on obtenait des surintensités de 25 A en branchant directement l'alim haute tension sur le réseau 220 V.
Pour limiter les surintensités, on utilise un montage composé d'une résistance et d'un relais.
Le condensateur de filtrage de l'alim se charge tout d'abord partiellement à travers la résistance, puis cette dernière est shuntée par un relais temporisé, ce qui permet au condensateur de finir de se charger.
Voici ce que devient la surintensité de mise en route (appelée aussi inrush)en utilisant un tel dispositif.
Tout d'abord, j'ai utilisé une résistance de 47 ohms et comme charge de l'alim haute tension, une ampoule de 60 W.
http://forums.futura-sciences.com/im...attach/gif.gif
On voit que la surintensité lors de la mise en route est très faible, environ 3 A. En revanche, lors de la fermeture du relais, qui a lieu environ 150 ms après la mise en route, la surintensité atteint environ 13 A.
La temporisation est OK, mais il faudrait réduire la valeur de la résistance afin de réduire la surintensité lors de la fermeture du relais.
http://forums.futura-sciences.com/at...1&d=1388260470
En connectant en parallèle deux résistances de 47 ohms, on obtient deux surintensités de même ordre, environ 7 A à la mise en route et de nouveau 7 A à la fermeture du relais.
Si on utilise maintenant une charge de plus forte puissance, environ 1000W, on obtient ceci:
http://forums.futura-sciences.com/im...attach/gif.gif
On voit que les pointes d'intensité tirée par la charge dépassent les 25 A. C'est beaucoup plus que ce que demandait la seule charge du condensateur de filtrage. On va réduire la sensibilité de moitié environ, pour voir s'il existe des pointes d'intensité dépassant cette valeur.
http://forums.futura-sciences.com/im...attach/gif.gif
Voici la pire pointe de surintensité observée, qui a été de 35 A environ. Il faudrait vraisemblablement réduire encore la valeur de la résistance si l'on voulait réduire cette pointe de surintensité.
Les surintensités ne s'observent que lors du branchement de l'alim sur le secteur. Lorsqu'on la débranche, voici ce que l'on observe:
http://forums.futura-sciences.com/im...attach/gif.gif
En conclusion, la temporisation du relais à 150 ms paraît tout-à-fait adaptée. C'est la durée de seulement quelques cycles du secteur 50 Hz et c'est suffisant. Pour mémoire, un cycle de 50 Hz dure 20 ms. Il faudrait au moins 3-4 cycles du réseau.
Mais pour cela, il faut absolument un relais temporisé. En effet, un relais non temporisé met seulement dans les 5 ms à réagir. C'est clairement insuffisant.
Concernant la valeur de la résistance, comme on va utiliser l'alim HT pour alimenter le hacheur à un niveau de puissance de bien plus d'un kW, il faudrait prévoir une valeur encore bien plus basse que 24 Ohms. Disons 12 Ohms? quatre résistances de 47 Ohms 20 W en parallèle?
Prochaine étape: Observer quelle est la pointe de surintensité tirée par un transfo de four microondes. Déjà en le branchant sur le secteur. Par la suite, si on l'alimente avec le hacheur à plus de 50 Hz, les surintensités ne pourront que diminuer. On pourra voir aussi ce que ça donne si on le branche avec une charge connectée au secondaire ou bien sans charge. Si l'on observe une forte pointe de surintensité, on pourra voir s'il est possible de la limiter avec un montage à relais temporisé et résistance.
A propos de toutes ces mesures, d'une manière générale, ce qui pourrait être assez intéressant, c'est qu'elles pourraient permettre d'affiner le modèle utilisé lors des simulations. Si la simu produit les mêmes courbes que celles qui sont observées à l'oscillo, c'est que le modèle est parfait.
Amicalement,
Yvan
Alors donc voici le type de surintensité que l'on observe lorsque l'on branche un transfo de four microondes sur le réseau 220 V. Il s'agit ici d'un transfo avec seulement l'enroulement primaire, pas le secondaire.
http://forums.futura-sciences.com/at...1&d=1388475603
Une division verticale = 23 Ampères
Voici donc une surintensité d'environ 60 Ampères!!Une puissance instantanée de 13 KW! Rien que ça!
En conclusion, on peut dire que:
1) Les surintensités qui surviennent lors de la mise sous tension du transfo se rapprochent dangereusement de ce qui est admissible pour nos MOSFET et autres IGBT. Mon IGBT le plus costaud est donné pour 80 A. Mais les MOSFET que j'utilisais précédemment, pour seulement 8 A. Voici enfin mise en évidence la cause de leur explosion! Qui était survenue, on s'en souvient, en appliquant la haute tension d'un seul coup, au moyen d'un interrupteur au lieu de l'augmenter progressivement avec un Variac.
2) La surintensité présentée ici est nettement plus importante que ce que j'ai pu observer lors de la mise en route de l'alim HT, lorsque le condensateur se charge: 60 A versus 35 A. Mais il est vrai qu'il n'y avait que 500 uF de capacité de filtrage.
3) Il semblerait que les surintensités de démarrage soient de plus faible intensité si le secondaire du transfo est chargé. Il faudra faire encore des essais en augmentant la charge au secondaire.
4) Par analogie avec ce qui a été observé récemment, ces surintensités de démarrage pourraient être efficacement combattues avec le même système de résistance shuntée par un relais temporisé. Ce serait un système bien plus robuste qu'un hacheur électronique.
Amicalement,
Yvan
Voici la suite des essais avec transfo MO en charge.
La charge a été augmentée progressivement. D'abord une, puis 2 puis 3 spires de câble 3 brins pleins 1,5 mm, comme celui qui est utilisé pour le câblage électrique des maisons. Le câble mesure 3 m et quelques de longueur et il est bouclé sur lui-même, de manière à créer un court-circuit.
Avec l'oscillo à mémoire, on peut faire circuler du courant dans le transfo pendant des temps très courts. ça suffit pour voir ce qui nous intéresse. Alors qu'avant, une mesure prenait plusieurs secondes, ce qui faisait pas mal chauffer le câble, et il fallait le laisser refroidir quand ça commençait à vraiment trop sentir le plastique chaud!
Cet oscillogramme a été réalisé avec un secondaire de 3 spires.
http://forums.futura-sciences.com/at...1&d=1388510802
Les images rendent mieux avec un fond blanc. Elles sont plus lisibles je trouve. Sur cette image, on a 5 A par division verticale. Donc il circule dans le primaire environ 15 A p-p. C'est à peine moins qu'avec une seule spire.
http://forums.futura-sciences.com/at...1&d=1388510802
Voici pour comparaison: En vert, la courbe obtenue avec 1 spire au secondaire. A droite, avec 3 spires.
On se rend compte que l'épaulement, c'était en fait la sinusoïde, qui est l'aspect que devrait prendre le courant circulant dans le primaire, si le noyau ne saturait pas. C'est mieux visible maintenant parce qu'avec 3 spires au secondaire, le transfo est plus chargé. La courbe est d'abord sinusoïdale, mais dès qu'on arrive à la saturation du noyau, on a la pointe d'intensité.
Ce qui fait la différence entre les deux oscillogrammes, c'est la surface contenue sous la courbe. L'intégrale de la fonction, en d'autres termes. Plus elle est importante, puis le transfo transfère de la puissance du primaire au secondaire.
Il est remarquable d'observer que les pointes varient à peine de hauteur alors que la charge du transfo est 3 fois plus importante à droite qu'à gauche. Est-ce qu'il en est de même pour la surintensité de départ? C'est ce qu'on va voir...
Voici la pire surintensité que j'aie pu observer avec un secondaire de 3 spires:
http://forums.futura-sciences.com/at...1&d=1388510802
L'échelle verticale est de 15 A par division. La surintensité atteint une soixantaine d'ampères. Pareil qu'avec le transfo à vide.
Conclusion: Lorsque le noyau sature, il sature. Dans une telle situation, la seule chose qui vient limiter les pics d'intensité, c'est la composante résistive du primaire, qui comprend toute la résistance ohmique du circuit entre le réseau 220 V et le transfo.
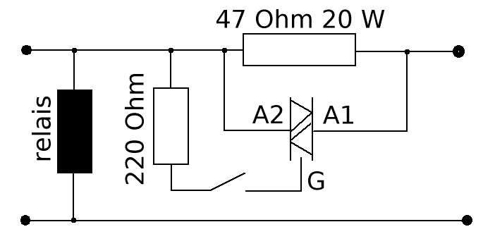
Prochaine étape: Voir si on arrive à limiter le pic d'intensité de démarrage avec un circuit à résistance shuntée. Je vais procéder au montage du circuit à triac dont voici le schéma.
http://forums.futura-sciences.com/at...1&d=1388511582
On applique le 220 V sur les broches de gauche.
Le contact du relais temporisé est normalement ouvert et se ferme après 1/10e de seconde. A ce moment-là le triac devient passant et court-circuite la résistance.
J'ai encore une incertitude concernant la valeur de la résistance 220 Ohms. Qu'en pensez-vous? Le courant de gâchette du triac est d'environ 50 à 100 mA.
Amicalement,
Yvan
Salut tout le monde,
Voici comment j'ai provisoirement réalisé le circuit à résistance 47 Ohms 20 W shuntée par un triac après un temps déterminé par un relais temporisé.
http://forums.futura-sciences.com/at...1&d=1388601899
Pour la résistance de la gâchette du triac, je ne savais pas trop quelle puissance choisir. Le courant de gâchette est de 50 mA, maximum 100 mA. Pour la jouer sûre, j'ai pris une 20 W.
En examinant la tension aux bornes de cette résistance à l'oscillo, on se rend compte qu'il y circule une impulsion triangulaire, tantôt positive, tantôt négative, suivant les demi-périodes du réseau. La durée de cette impulsion atteint environ le quart d'une demi-période, c'est à dire 2,5 ms, si la charge du triac est faible (par exemple une ampoule de 60 W). Plus la charge augmente, plus l'impulsion devient courte, et donc plus la dissipation dans la résistance connectée à la gâchette diminue. On pourrait se contenter d'une résistance 250 mW, à ceci près que ces petites résistances sont spécifiées pour 200 V grand maximum. Il faudrait donc 2 résistances de 100 Ohms 250 mW en série.
Lorsque le triac devient passant, il ne subsiste qu'environ 1 volt entre ses bornes A1 et A2. La résistance 47 Ohms 20 W est donc efficacement shuntée. Elle ne dissipe qu'une puissance insignifiante. Et elle remplace efficacement un éventuel snubber.
Bref, le circuit fonctionne bien.
Je passe sur les essais de ce circuit sur une charge résistive, pour en venir immédiatement aux essais sur transfo MO.
Tout d'abord, un transfo sans enroulement secondaire:
http://forums.futura-sciences.com/at...1&d=1388601899
Avec une temporisation de 130 ms. C'est le minimum que permet le relais OMRON 5 secondes. Il existe des versions 3 secondes, qui doivent permettre de descendre à 100 ms je pense. Ce laps de temps est très largement suffisant, comme on peut le voir sur l'oscillogramme.
Raccourcir le temps avant de court-circuiter la résistance de 47 ohms, présente l'intérêt qu'elle chauffe moins longtemps. Et c'est important, parce que si la charge (transfo MO lors de la réalisation d'un point de soudure) est importante, comme on le verra, la dissipation instantanée dans la résistance peut atteindre pas loin de 2 KW! 100 fois sa puissance nominale!
Maintenant concernant la surintensité de mise en route, on voit le succès total qu'apporte le circuit à résistance shuntée. Après 10 essais, la pire surintensité observée est de 13 A. Au lieu de 60!
Essayons maintenant avec un transfo chargé par 3 spires de câble, de longueur totale 3 mètres et quelques. Le même que lors des essais précédents.
http://forums.futura-sciences.com/at...1&d=1388601899
La pire surintensité observée après 10 essais est de 9,9 A. Au lieu de 60!
A propos de la sinusoïde qui cède la place à un pic de surintensité lors du fonctionnement stable (tout à droite de l'oscillogramme). On peut imaginer que: Puisque le pic de surintensité reste de même taille quelle que soit la charge du transfo, si on augmentait peu à peu la charge connectée au secondaire, on trouverait un niveau de charge du transfo pour lequel le pic serait complètement recouvert par la sinusoïde. Et on pourrait dire alors qu'à ce niveau de charge, le transfo travaille toujours hors saturation.
Est-ce que ce niveau magique ne serait pas par hasard de 800 W? C'est-à-dire la puissance nominale d'un four à microondes? Qui sait? Faisons le calcul: La pointe de surintensité atteint 7 A. Valeur efficace: 7/1,414 = 4,95 A efficaces. 4,95 A x 220 V = 1089 W. Le rendement d'un magnétron est de 66 %. Pour qu'il fournisse 800 W de microondes, il faut lui fournir 1200 W. C'est en effet pas très éloigné!...
Encouragé par ces bons résultats, j'ai examiné les surintensités de démarrage d'un transfo MO, avec un secondaire constitué de 4 spires de câble de pontage de batterie de voiture, placées en court-circuit.
http://forums.futura-sciences.com/at...1&d=1388602205
La section du câble de pontage de batterie de voiture est beaucoup plus importante que la somme de celle des conducteurs du câble de l'essai précédent. Et la longueur de ce câble est beaucoup plus faible: environ un mètre. Par conséquent il va y circuler plus de courant, sous plus de tension et donc, la charge du transfo sera bien plus importante.
Voici ce que l'on observe:
http://forums.futura-sciences.com/at...1&d=1388602205
On voit sur cet oscillogramme la pire surintensité observée, qui est de 24,4 A.
Mais surtout, on voit aussi que l'intensité atteinte en fonctionnement continu est d'une bonne vingtaine d'Ampères, c'est-à-dire une valeur efficace de 20 /1,414 = 14 A. Soit 3080 Watts. De quoi faire un bon point de soudure...Et cela, sans que les plombs sautent. Du moins en restant à ce niveau de puissance pendant une durée de 0,5 secondes environ. Voilà ce que j'appelle une bonne nouvelle.
Si l'on arrive à éviter la forte surintensité de départ, les plombs tiennent chez moi. Alors que ce sont des 10 A, temporisés.
C'est presque trop beau...Ce serait bien si quelqu'un d'autre pouvait confirmer ces résultats. Comme vous le voyez, le circuit peut être réalisé sur une barrette de "sucres" en seulement quelques minutes...Lancez-vous!
Pour ma part, la suite des essais consistera à
1) câbler deux résistances de 47 ohms en parallèle. En effet, on voit que la surintensité apparaît au moment où la résistance est shuntée. Ce serait peut-être mieux si le premier palier de puissance était à 50 % de la puissance maximale au lieu du quart.
2) voir si j'arrive à obtenir une temporisation plus courte avec un relais normal (non temporisé) avec le circuit suivant:
http://forums.futura-sciences.com/at...1&d=1388602205
Il me reste juste à déterminer quelle valeur je dois donner à la résistance pour que le relais se ferme disons au bout de 40 ms. Quelqu'un aurait une idée?
Bonne soirée
Amicalement,
Yvan
Hello,
Dans la lancée de ce fil initié par Yvan, j'aimerais vous demander votre avis sur un sujet connexe.
Les paramètres de base sont similaires à ceux d'Yvan, à savoir que je cherche à hacher la tension redressée du secteur pour alimenter un transfo de micro-onde dans le cadre d'une soudeuse par point.
Mon projet de montage est cependant différent de celui d'yvan. D'une part, je dispose d'une série de condensateurs tampons, alimentant une prise médiane du primaire du transfo. D'autre part, les commandes du driver proviennent d'un micro-contrôleur (par l'intermédiaire d'optocoupleurs) pour pouvoir facilement faire varier le temps d'action (0,05 à 4 sec), le duty cycle (5 à 95%) et la fréquence (150 à 400 Hz).
Les mesures de protection du circuit sont les suivantes :
- Les gates des IGBT sont protégées par des zener de 15V. Les IGBTs (FGA25N120) sont dépourvus de diode inverse, de sorte que des diodes ultra rapides (RHR30120) sont prévues.
- Ces diodes sont doublées par des transzorbs (2 x 1.5KE350 en série) afin d'éviter au collecteur des IGBT des surtensions dépassant 700V.
- Deux snubbers sont prévus aux bornes du primaire et sont contitués d'un condo de 0,22µF en série avec une résistance de 47 Ohms.
- Le circuit de retour vers les condos passe par un capteur à effet hall qui surveille le courant traversant les IGBT. Ce courant est surveillé par un comparateur qui, en cas de dépassement d'un seuil fixé, envoie un "high" au µC qui bloque immédiatement l'alternance en cours
Pensez-vous que les protections sont adéquates ? Y aurait-il des modifications souhaitables ou des éléments à ajouter ?
Quelques remarques.
Sur la dénomination (puisque la confusion se prolonge): un hacheur est une configuration: source DC/switch commandé unique/composant inductif, exemple typique, buck ou boost.
Ici, il y a plus d'un switch, et l'élément inductif ne voit pas de composante DC: c'est un convertisseur ou un onduleur. Le vocabulaire peut sembler accessoire, mais son emploi correct a des avantages.
La topologie en PP inductif: cela s'emploie pour des tensions pas trop élevées, pour ne stresser ni les enroulements ni les éléments actifs.
Ici, la tension minimale à prendre en compte est de 2*1.1*325=715V en supposant qu'il n'y a pas de surtension parasite. Pour que cette condition commence à sembler d'être remplie, il faut un couplage aussi parfait que possible entre les deux demi-primaires: en pratique, il faut un enroulement bifilaire torsadé, mais ce n'est pas compatible avec les tensions d'isolement.
Le couplage étant imparfait il y aura des surtensions, à forte énergie, que les snubbers auront beaucoup de mal à évacuer (ils devront être dimensionnés de manière dissuasive). Avec une topologie en 1/2 pont ou pont complet, le problème ne se pose pas
Ce type de montage exige une symétrie absolue des conductions des deux membres; en plus, il faut idéalement démarrer sur un demi-cycle pour éviter une saturation initiale. Toute erreur, y compris la plus infime due à une erreur d'arrondi dans les calculs de temps aura des effets disproportionnés (non-présents dans d'autres topologies).
L'utilisation du primaire n'est que de 1/√2, avec une augmentation correspondante de la quantité de cuivre à investir pour le même résultat.
Je me demande quels sont les avantages qui compensent tout cela. La masse commune de commande en serait un, mais avec les commandes de pont actuelles, ce n'est plus vraiment un souci, alors?
Pas de complexes: je suis comme toi. Juste mieux.
Hello Tropique,
Merci pour ta réponse rapide que j'ai relue plusieurs fois et à laquelle je réfléchis depuis hier soir.
Mon transfo étant un transfo de récupération, j'ai sorti un fil du milieu du primaire pour en faire la prise médiane et j'ai ensuite équilibré les deux moitiés au voltmètre en ajoutant 2 ou 3 spires d'un côté. Il est certain que l'équilibre n'est pas rigoureusement parfait et qu'après quelques cycles, le transfo va commencer à saturer pour l'une des alternances. C'est pour rétablir l'équilibre que j'ai prévu le système du capteur hall destiné à couper immédiatement l'alternance responsable d'un dépassement de seuil tout en laissant la suite des alternances se poursuivre normalement (sauf nouveau dépassement de seuil évidemment).il faut un couplage aussi parfait que possible entre les deux demi-primaires: en pratique, il faut un enroulement bifilaire torsadé, mais ce n'est pas compatible avec les tensions d'isolement.
Du côté du micro-contrôleur, celui-ci fait en sorte que la séquence de soudure commence toujours par l'alternance A et se termine toujours par l'alternance B, avec une égalité parfaite de la durée des impulsions, garantie par le fait que le programme est écrit en assembleur.
Actuellement, mon programme ne prévoit pas de soft start, mais si nécessaire, cela peut y être ajouté.
Par contre, je ne sais pas du tout si l'isolation du primaire peut supporter les 715V qui vont se développer aux extrémités de l'enroulement.
Est-ce que ces nouvelles précisions modifient quelque peu ton avis ? Ou bien continues-tu à penser que mon schéma comporte trop de risque ?
Dans ce cas, je me remettrais au travail dans le sens que tu indiqueras (half bridge? full bridge?). Néanmoins, comme j'ai déjà tout le matériel pour le schéma que j'ai présenté et qu'une bonne partie est déjà monté (l'unité de charge des condensateurs et l'unité de commande du microcontrôleur avec son écran LCD), je pense quand même terminer le travail commencé, ne fusse que pour pouvoir faire des mesures à tension réduite.
Si l'enroulement est d'origine, il tiendra la tension, par contre le souci de l'inductance de fuite est maximal.
Au point où tu en es, tu peux faire des tests à tension réduite, voir principalement l'énergie que doivent absorber les snubbers.Est-ce que ces nouvelles précisions modifient quelque peu ton avis ? Ou bien continues-tu à penser que mon schéma comporte trop de risque ?
Le test doit se faire au courant nominal, parce que c'est l'énergie des inductances de fuite qui doit être évacuée.
Si c'est ingérable, il sera temps de passer à une topologie mieux adaptée
Pas de complexes: je suis comme toi. Juste mieux.
OK. Je poursuis donc le montage.
Bien sûr, je tiendrai le forum au courant de la suite des mesures et tests.
Encore merci, Tropique.
Vu le niveau de puissance, il sera probablement plus avantageux d'employer des snubbers R+C+diode, qui peuvent encaisser des niveaux de puissance arbitrairement élevés. Comme ce n'est pas pour une utilisation à 100%, c'est probablement une piste viable, même si le niveau de pertes absolu est rhédibitoire.
Pas de complexes: je suis comme toi. Juste mieux.
En parallèle avec le primaire, j'ai 2 snubbers R-C (47 Ohm - 2.2µF) et en parallèle avec chaque IGBT, j'ai une diode rapide et un transzorb. Dois-je y ajouter quelque chose ou déplacer certains éléments ?
Avec ces valeurs de snubber, la puissance dissipée à 400Hz sera de l'ordre de 100W pour chacun, avec un peu de chance cela devrait être suffisant pour limiter la tension à une valeur sûre pour la durée des essais. Après il sera temps de choisir un circuit plus performant et moins gourmand en connaissance de cause.
Pas de complexes: je suis comme toi. Juste mieux.
Les 1.5KE350 c'est pas très raisonnable, la tension de fonctionnement vu par les IGBTs est de 650V (Pas 325V), les transZorbs doivent au minimum être des 750V (pour supporter 10% de variation coté secteur). SI tu ne trouves pas la valeur, il faut en mettre deux 1.5kE400 en série.
Le schéma n'est pas clair. L'intitulé est 2 x 1.5KE350. Le dessin semble montrer qu'ils sont tête bêche.
Ou alors, il y a une erreur de référence, tu voulais parler de 2 x 1.5KE350CA, en représentant 1 seul de type CA.
Quoi qu'il en soit le besoin est 750V, (unidirectionnel c'est suffisant).
C'est vrai que le schéma n'est pas clair.
J'ai prévu que chaque IGBT reçoive 2 transzorbs de type 1.5KE350 (unidirectionnel) en série, ce qui fait 700V de protection.
Mon schéma ne représente effectivement qu'un seul transzorb de type CA, c-à-d bidirectionnel. Mea culpa.
Y a-t-il pour les transzorb unidirectionnels un symbole différent de celui de la Zener ?
Pour les 700V, j'espère que ce sera suffisant car dès que la soudeuse se mettra en fonction, la tension de la banque des condensateurs ne se maintiendra pas à 325V (mais j'ignore de combien elle va baisser).
