Bonjour,
Je voudrais savoir si on peut brancher sur wago toutes les masses qui vient: d'un pc, d'un transfo 220v - 12v, sortie mppt, et d'une batterie 12v ?
il n'y a pas de risque si un des appareilles délire ou comment protéger ?
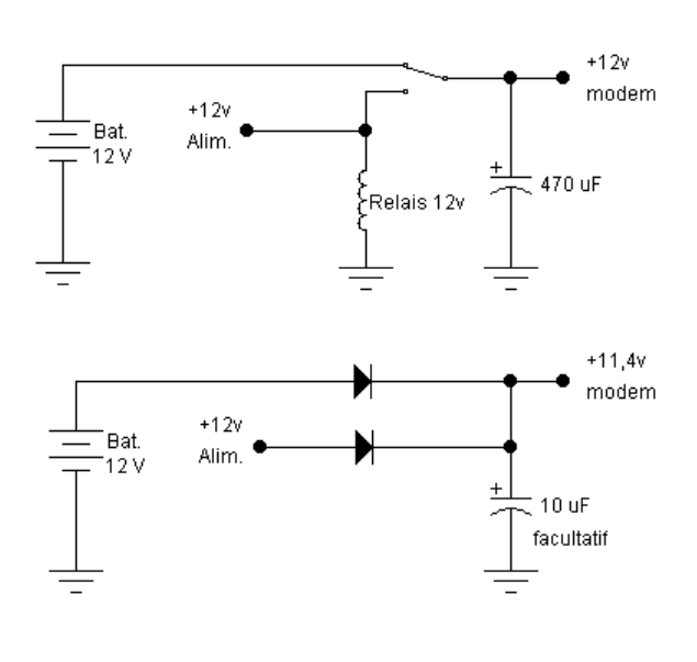
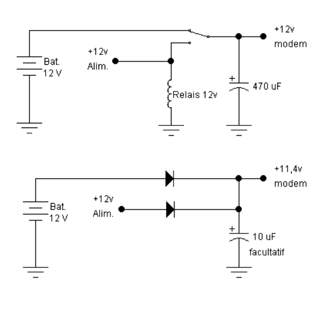
Autre question: je voudrais brancher avec un relais un modem qui sera alimenté soit avec 12v qui vient d'un transfo ou 12v batterie.
Est ce qu'il n'y a pas un risque pour le modem quand passage de l'un à autre avec la micro coupure du relais ?
-----





