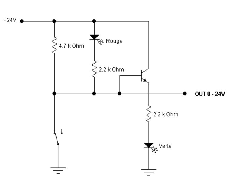
Bonjour a tous, j'aimerais avoir votre idée sur mon shéma qui est a l'étape "papier". Est-ce qu'en principe tout fonctionnera? J'ai besoin d'une sortie a 2 états dépendamment de la position de l'interrupteur: un niveau pret de 24 Volts et un autre pret de 0 Volt, avec un LED pour indiquer les 2 états. Je ne sais pas si les valeurs de résistances sont dans un bon range. La sortie du circuit s'en va vers une entrée d'un controleur CNC qui a également un optocoupleur d'entré.
Merci![]()
-----



