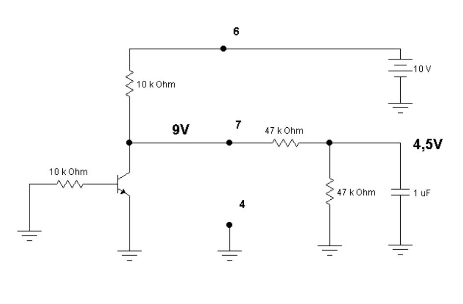
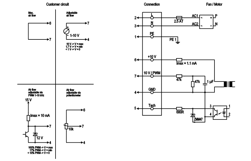
Bonjour à tous. Je voudrais avoir une confirmation sur le montage à réaliser pour déterminer la vitesse d'un moto-ventilateur G3G140-AW05-12. La documentation fournit une description de la schématique interne du contrôle commande du moto-ventilateur.
Si je veux exploiter les informations vitesse avec une carte Arduino, pouvez-vous me confirmer qu'il faut relier la sortie tach avec une résistance de tirage et le +5V à une broche numérique de l'Arduino, et bien sûr relier les masses entre elles, comme indiqué dans le schéma joint?
-----

