Bonjour à toutes et à tous et Merci pour votre aide.
Je cherche à effectuer un montage qui consiste à :
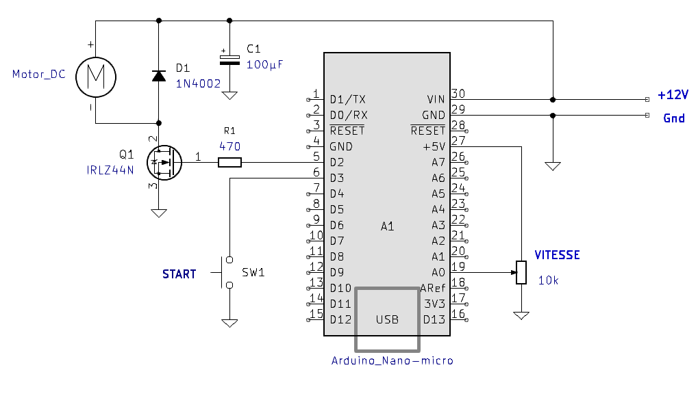
1) appui bref sur un bouton poussoir
2) Alimentation d'un petit moteur 12 volts 200 ma maxi. mais en partant d'une tension de 0 volts jusqu'à 10 volts et cela en une dizaine de secondes environ.
3) Dans la foulée La tension appliquée aux bornes du moteur est de 10 volts à présent et doit revenir à zéro , en 10 à 15 secondes.( ce n'est pas restrictif).
Pour l'explication du pourquoi ...ce petit moteur fait tourner une petite roue ludique de 30 cm de diamètre et juste en appuyant sur le bouton poussoir.
Je pense utiliser les composants NE555 et IRLZ44N que j'ai dans un tiroir et qui devraient convenir mais mes connaissances sur le sujet sont insuffisantes.
Si une personne du forum pouvait me fournir un schéma théorique de ce montage... Merci en tout cas.
Bien cordialement
-----





