Bonjour, je cherche une personne ou une société pouvant me créer et ensuite produire un pcb à partir du schéma joint.
Par gravure chimique ou fraisage, ça n'a pas de réelle importance.
En vous remerciant![]()
-----

Bonjour, je cherche une personne ou une société pouvant me créer et ensuite produire un pcb à partir du schéma joint.
Par gravure chimique ou fraisage, ça n'a pas de réelle importance.
En vous remerciant![]()
Pour la fabrication de PCB, les chinois font ça très bien pour moins cher que pas cher. Delais environ 10 jours entre la commande et la livraison.
Par contre c'est pas avec le bout de schéma fournit que quiconque va pouvoir te dessiner un PCB, il va falloir un peu plus que ça... au minimum une liste de matériel (marque, référence, fournisseur de chaque élément du circuit)
Tout projet flou conduit à une connerie précise !
Bonjour
pourquoi des relais, encombrants ?
attention les diodes 5408 ne tiennent que 3A, à froid les ampoules 21W tirent env. 4A.
diodes Schottky plus puissantes et perte de tension plus faible:
https://www.gotronic.fr/art-diode-12a---40v-48108.htm
https://diotec.com/request/datasheet/sb1240-3g.pdf
NB: Toute modification d'un véhicule est réglementée, attention au contrôle technique...
![]()
Pascal
De toutes façons dans le schéma de base avec relais les diodes ne servent à rien.
Tout projet flou conduit à une connerie précise !
les clignotants rouges à l'arrière ne sont autorisés que pour les véhicules d'importation ou certains véhicules anciens.
Pascal
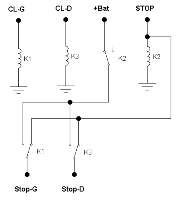
Avec ton montage, la priorité n'est pas aux clignotants, pour le CT véhicule de 1958, exemptés de CT,cet d'origine c'était comme ça, sauf que le commodo a été cassé et est introuvable seul le commodo de 1955 est disponible et il ne gère pas le clignotant dans les stop
Pourquoi des relais ? Le commodo de 1955 ne gérait qu'une ampoule de 15w, ajd, avec 2 ampoules de 21w, il n'est pas capable de transiter autant d'intensité sans cramer les contacts.
Une adresse "chinoise " pour réaliser le pcb ?
bonsoir
avec le montage à relais en #1, les clignotants ne sont pas prioritaires non plus, les feux stop allument les stop, pendant ce temps les clignotants sont inactifs.
il faut se servir des contacts repos des relais clignotants pour couper le stop correspondant, et les contacts travail des relais doivent couper le 12V, puisque le commodo ne tient pas le courant demandé par le clignotant. 2 relais suffisent, 1 par clignotant.
fabricant de circuits en chine: JLPCB, le moins cher.
Pascal
Ils sont prioritaires dans le sens où quand on à les 2 en même temps (stop et clignotant) rien ne passe, la lampe est donc éteinte. Du coup ça clignote, mais "à l'envers" : techniquement les clignotants sont prioritaire puisque ça clignote !
Maintenant je n'ai toujours pas compris à quoi servent les diodes...
Tout projet flou conduit à une connerie précise !
Les diodes permettent de ne pas alimenter le relais K2 quand il y a le clignotant et qu'on ne freine pas. Sa.s elle, à chaque fois que le contact k1 se ferme, on realimente le relais K2, qui,du coup ouvre le contact k2 et ça fout un joyeux bordel
Je ne comprend pas comment tu peux réalimenter la bobine de K2 quand le contact de K1 retombe... puisque si ce dernier se referme, c'est que la bobine de K1 n'est pas alimentée donc y a rien qui arrive...
Tout projet flou conduit à une connerie précise !
Tu as raison, j'ai enlevé la diode et ça fonctionne, merci du coup de main
mes réponses précédentes sont erronées car j'ai mal compris le truc:
les clignotants doivent éteindre le feu stop correspondant s'il est allumé.
ils doivent allumer le feu stop correspondant s'il est éteint.
rappel: le commodo ne tient pas le courant de ampoules 21W
donc un +Bat pour la commande clignotants
plutôt qu’un circuit imprimé, autant câbler tout ça sur des supports de relais.
nouvelle proposition de schéma:
![]()
Dernière modification par Pascal071 ; Aujourd'hui à 22h59.
Pascal
