bjr :
c est jouable mais c'est plus compliqué à réaliser , donc ça ne vous apporte rien de plus
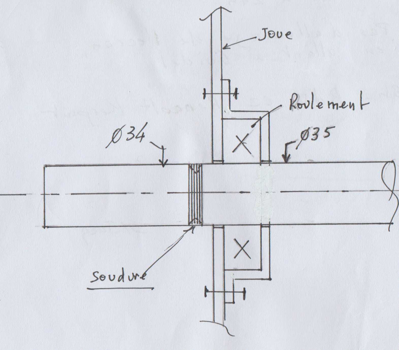
en principe dans ce cas de figure on met une mecanindus , apres on peut aussi mettre un boulon comme le suggere Nalphi ;,
c 'est plus aisement calculable avec une piece sectionnable qu'avec le frottement .
-----





