Bonjour à tous,
J'ai un problème sur une minuterie d'escalier et je m'en arrache les cheveux.
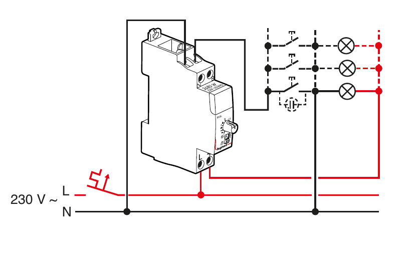
Voilà, c'est une minuterie Legrand 412602, commandée par 4 BP à voyants, situés dans une cage d'escalier, à chaque étage d'une petite résidence.
Elle est câblée en 3 fils, avec donc le commun des BP au neutre.
Sur la borne B de la minuterie, déconnectée, j'ai 93V à vide.
Sur le fil d'arrivée des BP j'ai environ 5v, fil débranché, par rapport au neutre (normal, les BP sont "en l'air).
Quand je connecte le fil de Cde, la tension en B tombe à 83V.
Quand j'active un BP, cette tension tombe à zéro, et la minuterie fonctionne bien, avec extinction à la fin de la tempo.
Et c'est là que ça se complique, le soir, vers 22h, la minuterie se déclenche aléatoirement, avec des arrêts courts, quelques secondes.
Quand je mesure en B, la tension fluctue entre 80 et 50V, ce qui doit franchir le seuil de déclenchement de la minuterie.
Je tourne, je vire et je ne vois pas ce qui peut provoquer cette baisse de tension, toujours aux mêmes périodes....
Le tableau des tempos d'escalier est limité, 2 circuits de ventilations, trois minuteries (les 2 autres sont pour un garage et un escalier extérieur), 2 DJ lumière.
Surtout que le tension en B baisse, je ne vois pas comment le neutre commun aux BP pourrait être perturbé.
Si vous avez une idée géniale, vous m'enlevez une belle épine...
-----


 
 