bonjour
mon appareil a air chaud leister vient de me lâcher. En cours de soudure il y a eut un gros bruit
J'ai ouvert l'appareil,et comme je n'ai rien vu, j'ai remit sous tension et vu des étincelles aux bornes du triac Q 80 10L5
J'ai vu aussi que la résistance chauffante était carement explosé ,
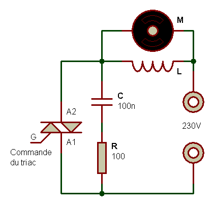
J'ai changé cette résistance par une de récupération (en attente d'une neuve), changé le triac mais pas de chauffe de la résistance. Aucune tension a ses bornes. J'ai testé le gros condensateur papier après démontage;, mesuré sa valeur qui était de 250 ohm dans les 2 sens et la valeur était constante
Je pense qu'il est hs? Je voudrais votre avis et savoir si je peux le remplacer par un de 220nf au lieu de 100nf. (J'en ai pas )
Pour ce type d'appareil la platine électronique est impossible a se procurer ( j'ai fait 5 vendeurs), c'est pour ca que je demande de l'aide
voici des photo de la bête et de la platine, pas évident a photographier
merci de votre aide
-----


