Bonjour à tous,
Je sollicite votre aide concernant un lave-linge Indesit IWC61251FR (Code produit : 69198).
Le cycle débute normalement par la prise d'eau, mais le tambour ne se lance pas. Le cycle se fige ensuite, pour finir le cycle je doit effectuer une vidange.
Après lancement de la procédure de test, l'appareil affiche le code erreur F02 (généralement lié à un défaut de rotation moteur ou un retour tachymétrique absent).
Mes mesures :
- Moteur (mécanique) : Rotation libre, aucun point dur constaté à la main.
- Charbons moteur : État d'usure avancé (voir photo jointe). Note : Précisez ici leur longueur restante en mm.
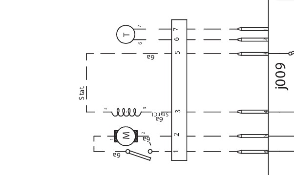
- Mesures des enroulements (sur connecteur moteur) :
- Bornes 4 et 5 (Stator) : mesuré à 1,7 Ω.
- Bornes 3/4 et 3/5 : Circuit ouvert (Infini) sur calibre 600 Ω. Cela semble indiquer une coupure interne ou un défaut de contact au niveau du connecteur/charbons.
- Tachymétrie :
- Bornes 1 et 2 : mesuré à 3 Ω. Cette valeur est anormalement basse (théorique : entre 115 et 170 Ω sur ce type de moteur Indesit/Ariston).
- Test dynamique : La valeur ohmique varie bien en rotation, mais la résistance de base semble hors tolérance.
- Module de puissance : Dessoudage et test des deux relais inverseurs. Ils basculent correctement sous tension et les contacts sont passants.
Le moteur était-il hs ou juste les charbons ?
![]()
-----





