Bonsoir à tous,
Grâce à diverses indications reçues de certains participants à ce forum, j'ai un peu avancé dans la mise au point de mon circuit de contrôle de deux moteurs pas-à-pas avec un joystick.
Pour les détails, voir ce fil:
http://forums.futura-sciences.com/el...-joystick.html
et celui-ci:
http://forums.futura-sciences.com/ma...daeronefs.html
Après avoir testé divers circuits, je vais réaliser le circuit suivant:
http://forums.futura-sciences.com/at...1&d=1402255313
Le circuit fonctionne sur breadboard.
http://forums.futura-sciences.com/at...1&d=1402255209
Les résultats sont les suivants:
http://forums.futura-sciences.com/at...1&d=1402255809
Comme on peut le voir, la tension du commande du VCO (point 7) redescend très proche de zéro lorsqu'on laisse le manche du joystick revenir à la position centrale. La zone morte avec le joystick dans cette position (causée par le seuil de conduction des diodes du pont) est quasiment inexistante.
Et la tension maximale atteinte est la même que le joystick soit à fond en avant ou à fond en arrière. C'est bien symétrique.
Le potentiomètre logarithmique permet de moduler l'amplitude finale dans un rapport d'environ 1 à 10. C'est parfait.
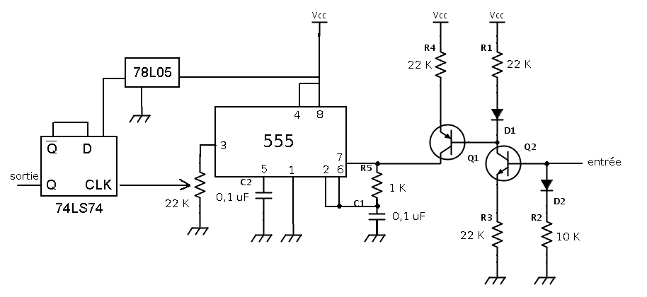
Prochaine étape: le VCO. J'ai commandé des Harris 8038. On devrait pouvoir couvrir une large plage de fréquences avec cet IC. En attendant qu'ils arrivent, je vais essayer le VCO à 555 imaginé par Daudet dans ce fil:
http://forums.futura-sciences.com/el...inverseur.html
Merci encore une fois à tous ceux qui m'ont fourni des idées.
Amicalement,
Yvan
-----



remercier et féliciter chaleureusement Daudet.