Bonjour à tous,
je suis à la recherche d'une aide précieuse pour finaliser un petit projet perso: un mini télécabine dans mon jardin pour la période de Noël.
Pour ce qui est du dimensionnement et de la mécanique, aucun soucis de ce côté là.
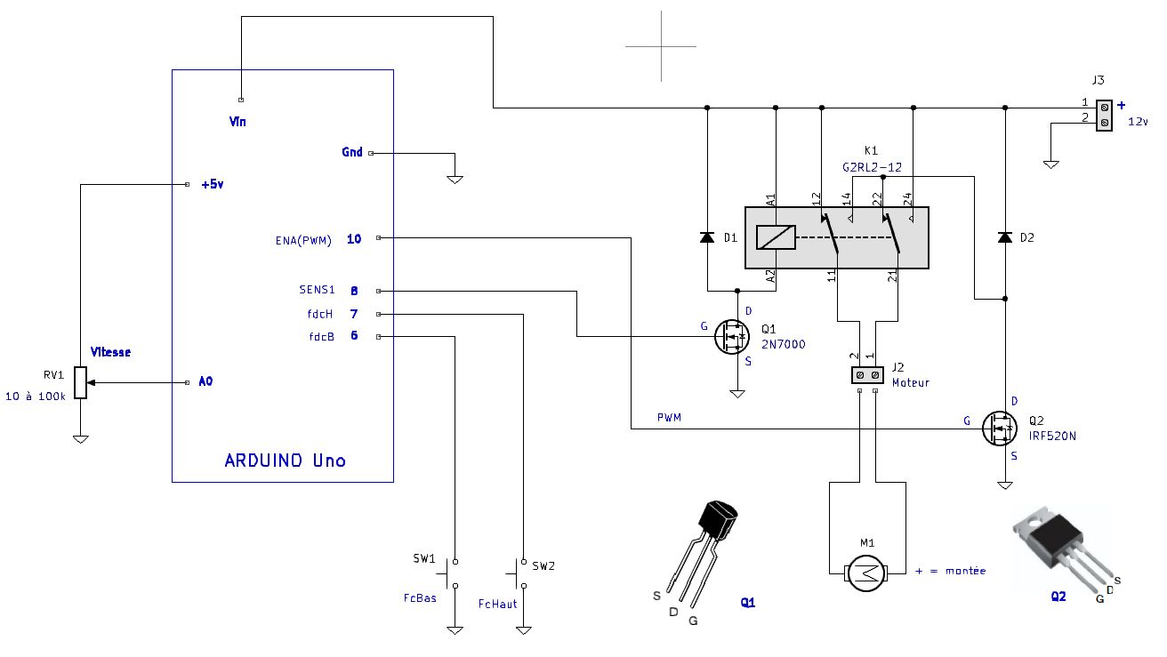
Là où je bloque c'est dans le pilotage de mon moteur 12V avec Arduino et contrôleur L298N. Ne connaissant absolument rien à la programmation de ces appareils j'ai pas mal navigué sur le net et cela est possible pour moi de faire tourner le moteur dans un sens puis dans un autre avec une tempo. Mais pour un meilleur fonctionnement de mon installation je souhaiterais installer des capteurs fins de course en haut et en bas qui lorsqu'ils son activés stoppe le moteur quelques secondes puis inverse son sens de rotation et ainsi de suite.
Quelqu'un pourrait il m'aider dans cette affaire? type de fins de courses? Code arduino?
Merci à vous
Nicolas, un grand enfant de 42 ans...
-----




